TDA5251 ASK/FSK 315 MHz收发器

📅 发布时间:2013-09-29 20:55 👁️ 浏览:3 🏷️ 标签: 5251 TDA 315 ASK

TDA 5251是一款工作在315 MHz频段、半双工和低数据速率通信的FSK/ASK收发器,适合遥控/遥测系统、无键进入系统、报警系统、无线抄表和家庭自动化系统等应用。 主要技术特点如下: ·具有低电源电流,接收模式为9 mA,发射模式为l3 mA; ·电源电压为2.1~5.5 V; ·具有低功耗模式; ·FSK/ASK调制与解调方式; ·FSK灵敏度小于-l09 dBm; ·ASK灵敏度小于-l09 dBm; ·发射功率为 13 dBm; ·完全集成的VC0和PLL合成器; ·I2C/3线微控制器接口。

TDA5251 ASK/FSK 315 MHz收发器 

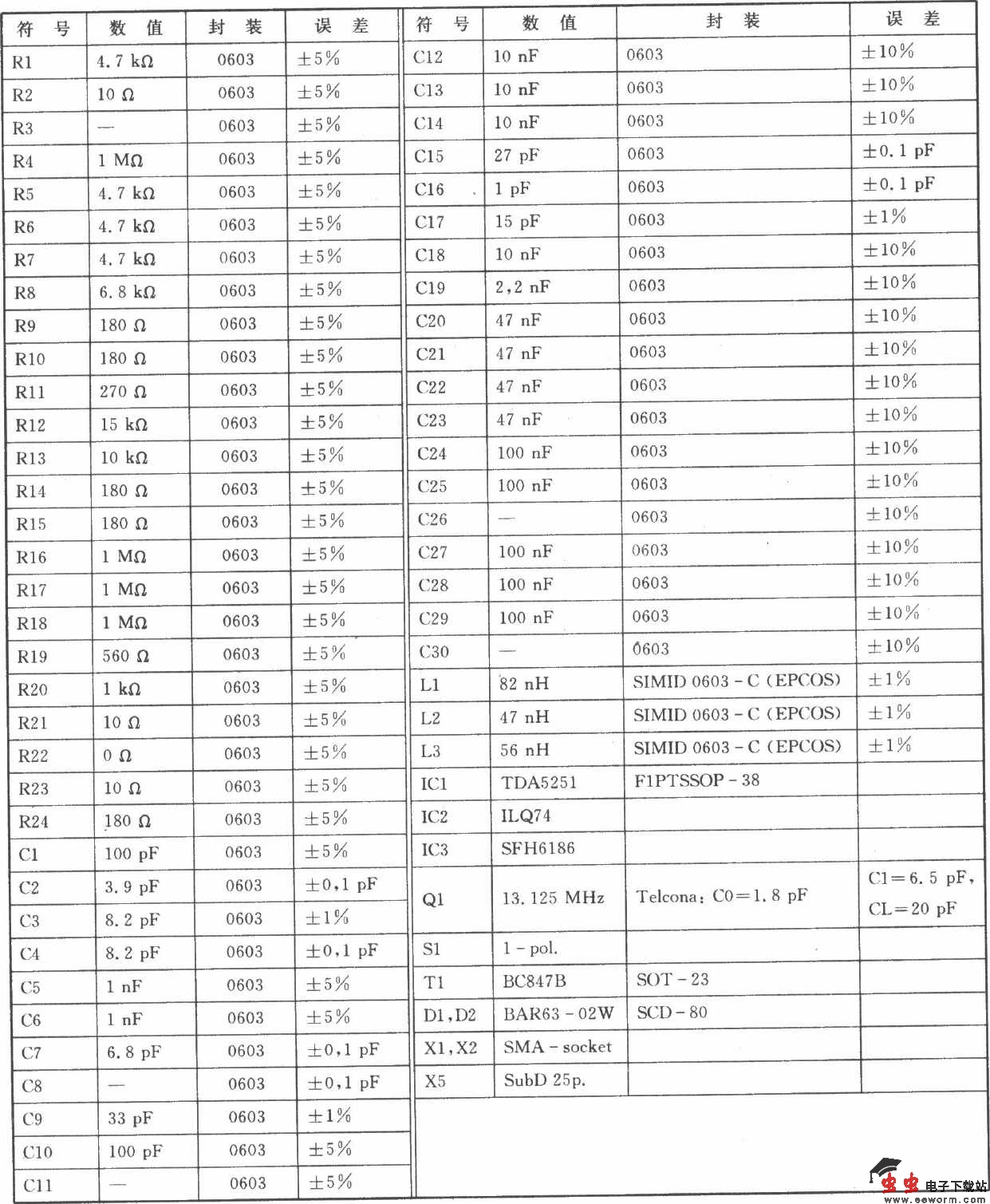
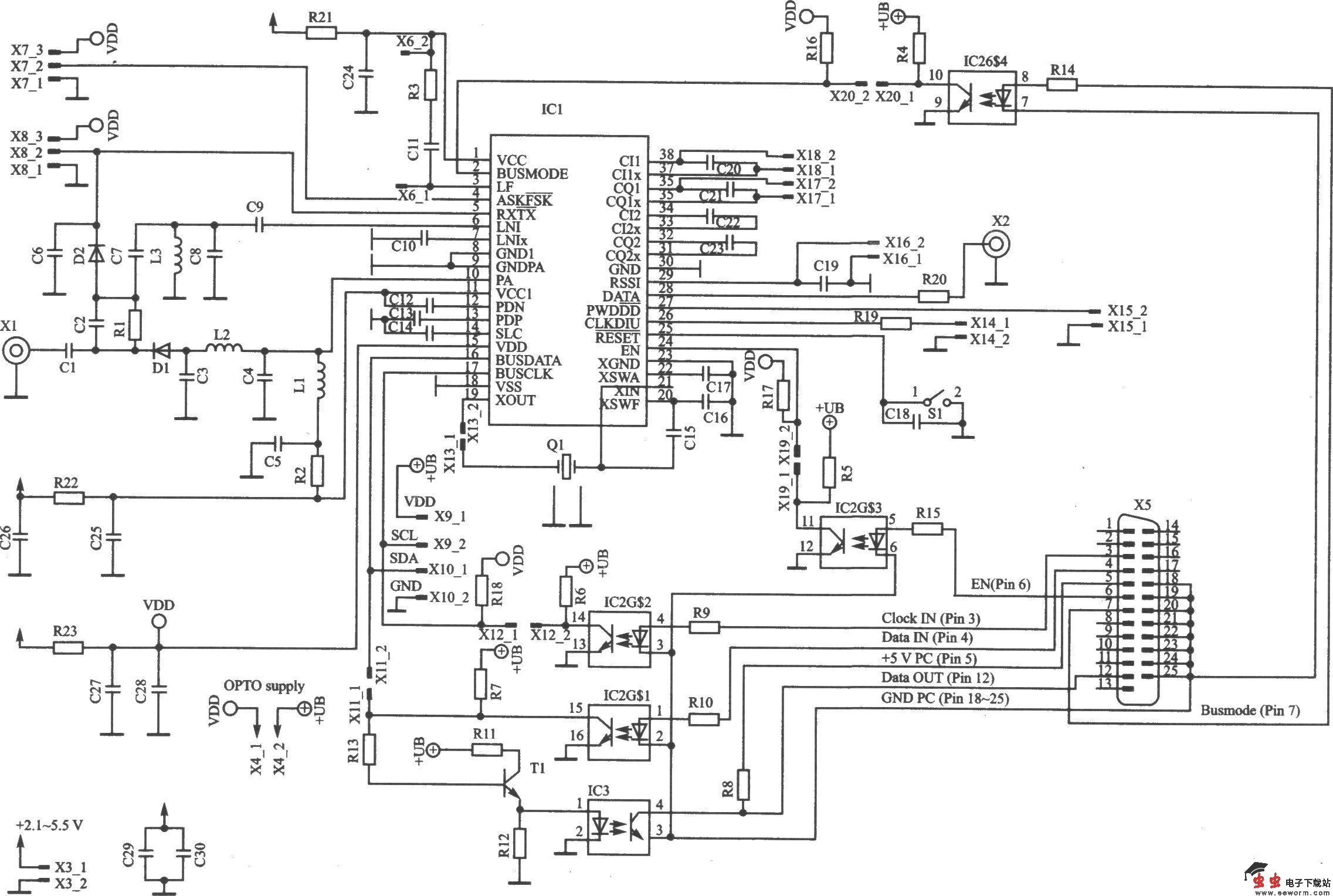
TDA5251应用电路 TDA5251应用电路元器件参数

TDA5251 ASK/FSK 315 MHz收发器 

觉得这篇文章有帮助吗?