CC400 FSK 433/429/426/315 MHz收发器

📅 发布时间:2013-09-29 20:25 👁️ 浏览:1 🏷️ 标签: 400 315 433 429

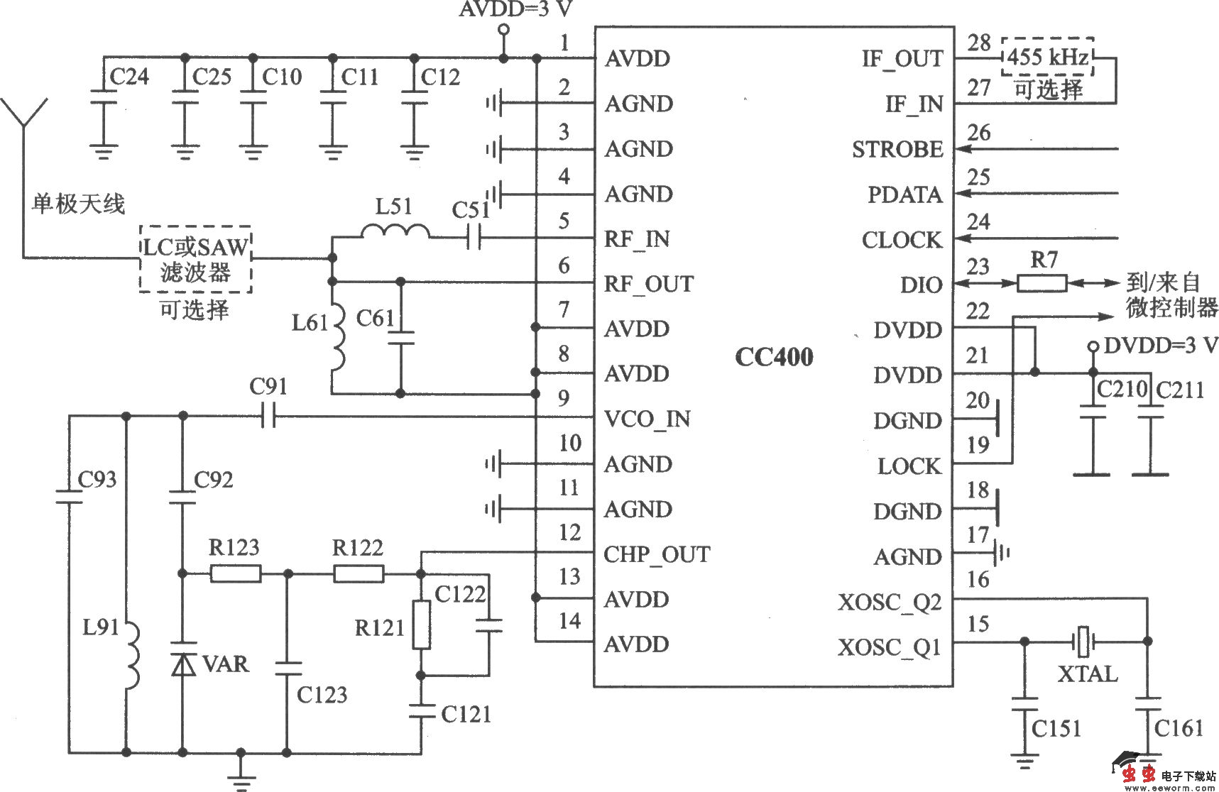
CC400是半双工RF收发器,工作在315/426/429/433 MHz频段,适合UHF无线数据发射/接收、遥测/遥控、安防和无线抄表等系统中使用。 主要技术特点如下: ·工作在300~500 MHz ISM频段; ·FSK调制方式; ·数据传输速率为9.6 Kb/s; ·灵敏度为-ll2 dBm; ·可编程输出功率为25 mW(14 dBm); ·电源电压为2.7~3.3 V; ·主要的工作参数通过一个串行接口编程设定,使用容易、灵活.

CC400 FSK 433/429/426/315 MHz收发器 CC400的应用电路. CC400应用电路的元器件参数

CC400 FSK 433/429/426/315 MHz收发器 

觉得这篇文章有帮助吗?