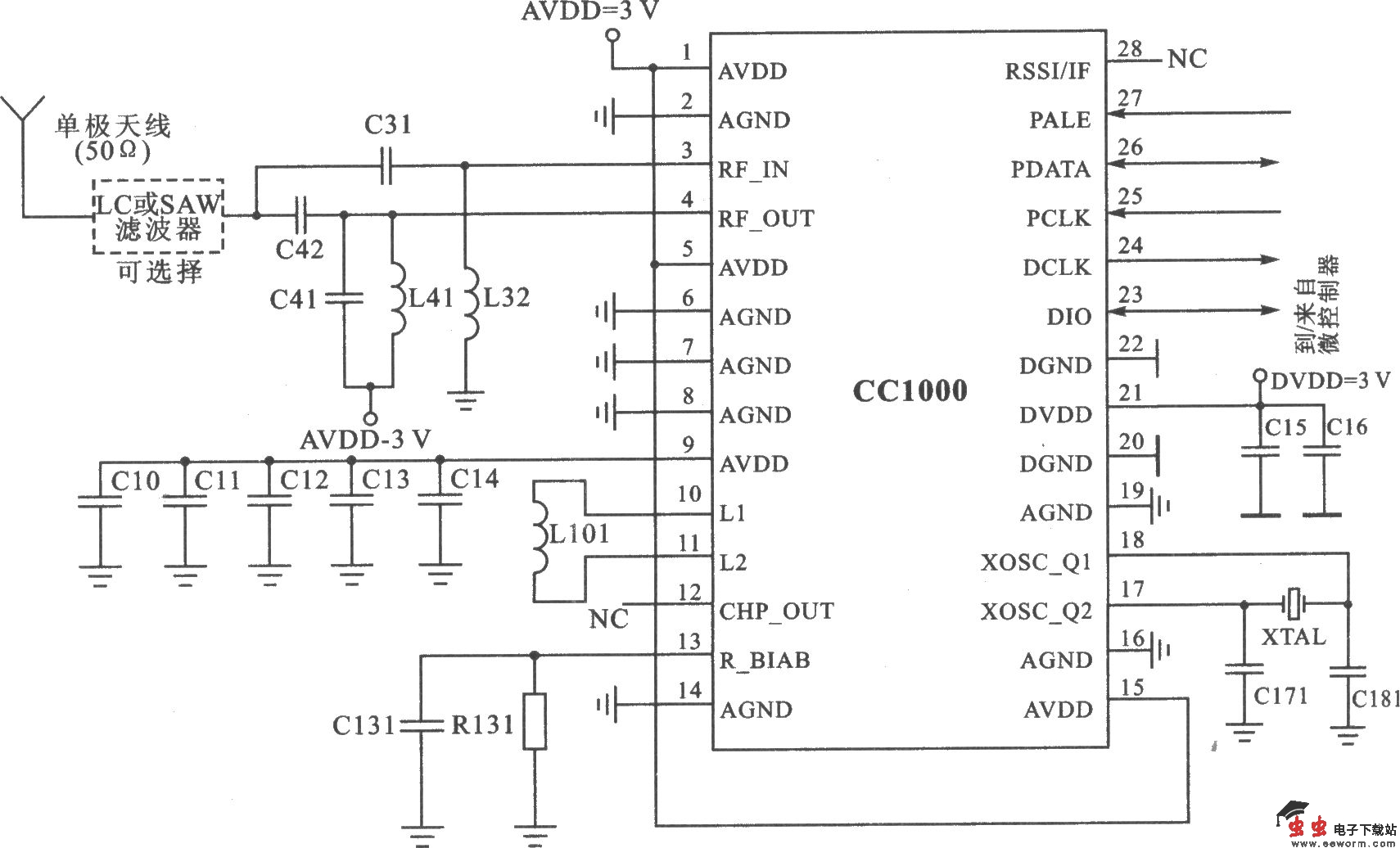
CCl000是可编程、半双工UHF收发器,适合在计算机遥测/遥控、安防、家庭自动化和汽车仪表数据读取等无线数据发射/接收系统中使用。 主要技术特点如下: ·工作频率为300~1000 MHz; ·FSK调制方式; ·数据传输速率可达19.2 Kb/s(曼彻斯***或NRZ码); ·接收灵敏度为-l09 dBm ·输出功率为-20~10 dBm(可编程); ·电源电压为2.7~3.3 V; ·电流消耗如果是接收模式为9.9 mA,如果是发射模式为27.8 mA,如果是低功耗模式为0.2μA(振荡器断开); ·芯片工作状态设置由芯片内控制器完成,控制命令和设置参数通过PCLK、PDATA和PALE 3线数字串行接口输入。
CCl000的典型应用电路 在不同工作频率下CCl000应用电路的元器件参数值
