CC900是半双工RF收发器,适合计算机遥测/遥控、安防和无线数据发射/接收等系统中使用。 主要技术特点如下: ·工作在868~915 MHz ISM频段,也能够通过编程工作在其他频段(800~1000 MHz); ·FSK调制方式; ·数据传输速率可达9.6 Kb/S; ·灵敏度为-ll0 dBm; ·输出功率为4 dBm(可编程); ·电源电压为2.7~3.3 V; ·主要的工作参数通过一个串行接口编程设定。
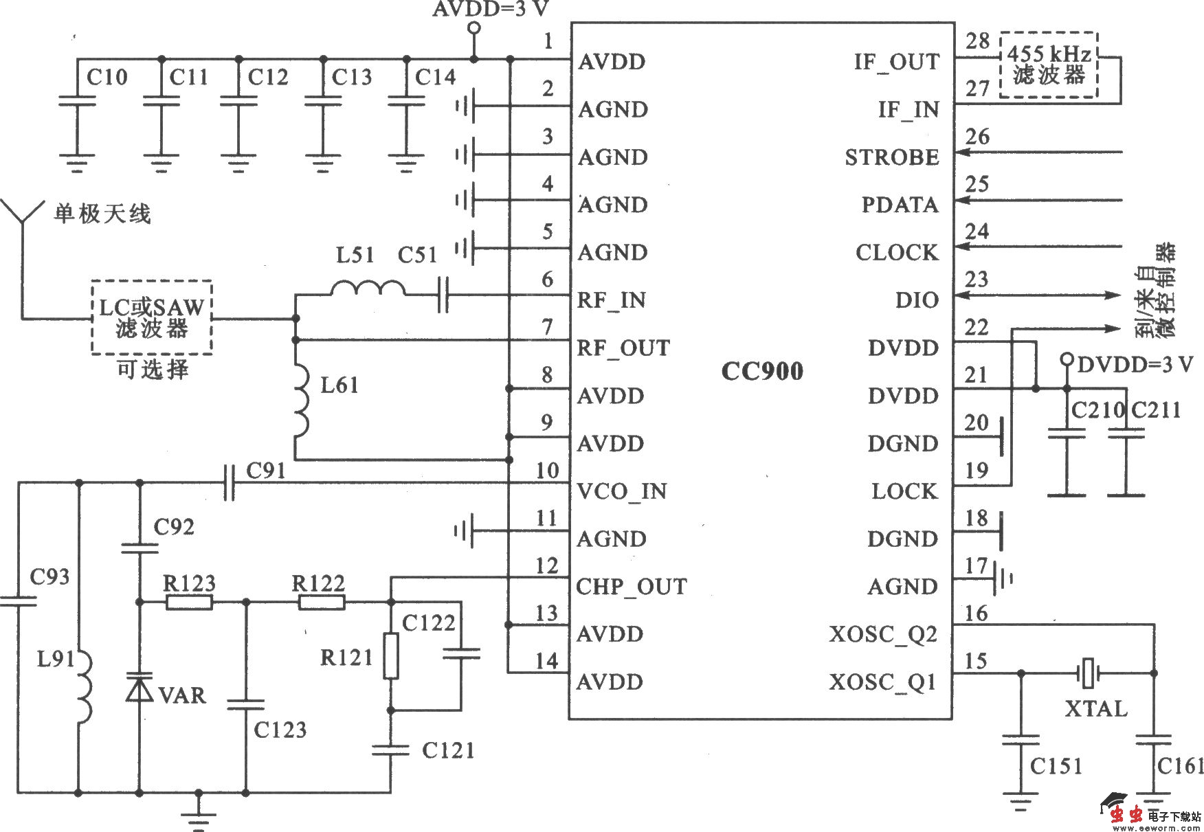
CC900的应用电路 CC900应用电路的元器件参数
CC900是半双工RF收发器,适合计算机遥测/遥控、安防和无线数据发射/接收等系统中使用。 主要技术特点如下: ·工作在868~915 MHz ISM频段,也能够通过编程工作在其他频段(800~1000 MHz); ·FSK调制方式; ·数据传输速率可达9.6 Kb/S; ·灵敏度为-ll0 dBm; ·输出功率为4 dBm(可编程); ·电源电压为2.7~3.3 V; ·主要的工作参数通过一个串行接口编程设定。
CC900的应用电路 CC900应用电路的元器件参数