TH72012是一款符合EN 300 220及类似标准的单片发射器芯片,可用于无钥匙进入统、遥控/遥测系统、数据通信系统和安防等系统中。 主要技术特点如下: ·完全集成且稳定的PLL; ·工作频率为380~450 MHz; ·单端RF输出; ·ASK调制方式; ·ASK调制速率达40 Kb/s; ·电源电压为l.9~5.5 V; ·工作电流为3.5~10.7 mA,待机电流为0.1μA; ·输出功率为-12~ 8.5 dBm。

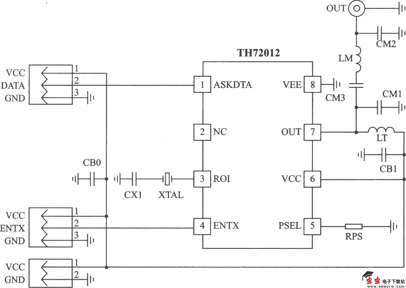
TH72012的应用电路
TH72012的应用电路的元器件
TH72012是一款符合EN 300 220及类似标准的单片发射器芯片,可用于无钥匙进入统、遥控/遥测系统、数据通信系统和安防等系统中。 主要技术特点如下: ·完全集成且稳定的PLL; ·工作频率为380~450 MHz; ·单端RF输出; ·ASK调制方式; ·ASK调制速率达40 Kb/s; ·电源电压为l.9~5.5 V; ·工作电流为3.5~10.7 mA,待机电流为0.1μA; ·输出功率为-12~ 8.5 dBm。

TH72012的应用电路
TH72012的应用电路的元器件