TH71072是一款单片发射器芯片,符合EN 300 220及类似标准,可用于无钥匙进入系统、遥控/遥测系统、数据通信系统和安防等系统中。 主要技术特点如下: ·工作在310~440 MHz频段; ·ASK调制方式; ·ASK通过内部功率放大器导通/关闭键控法获得; ·FM利用外接的变容二极管; ·电源电压为2.2~5.5 V; ·工作电流为4.8~11.5 mA; ·输出功率为-151~-1 dBm。

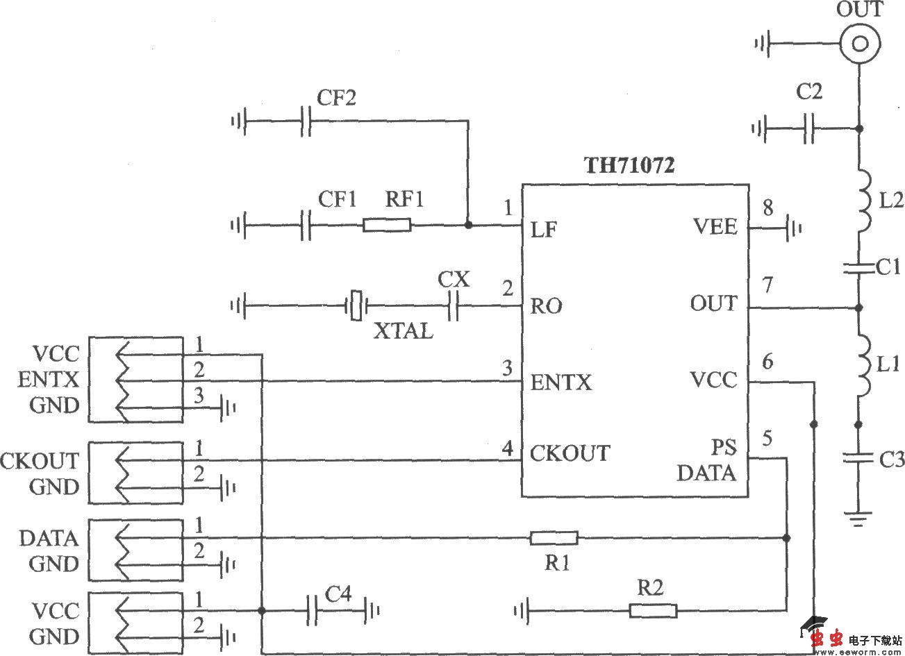
TH71072的应用电路
TH71072的应用电路的元器件
TH71072是一款单片发射器芯片,符合EN 300 220及类似标准,可用于无钥匙进入系统、遥控/遥测系统、数据通信系统和安防等系统中。 主要技术特点如下: ·工作在310~440 MHz频段; ·ASK调制方式; ·ASK通过内部功率放大器导通/关闭键控法获得; ·FM利用外接的变容二极管; ·电源电压为2.2~5.5 V; ·工作电流为4.8~11.5 mA; ·输出功率为-151~-1 dBm。

TH71072的应用电路
TH71072的应用电路的元器件