TH71072是一款符合EN 300 220及类似标准的单片发射器芯片,可用于无钥匙进入系统、遥控/遥测系统、数据通信系统和安防等系统中。 主要技术特点如下: ·完全集成且稳定的PLL; ·工作频率为380~450 MHz; ·单端RF输出; ·FSK调制方式; ·FSK通过晶振牵引进行调制,FSK调制速率为DC~40 Kb/s; ·电源电压1.9~5.5 V; ·工作电流为3.5~10.7 mA,待机电流为0.1μA; ·输出功率为-l2~ 8.5 dBm。

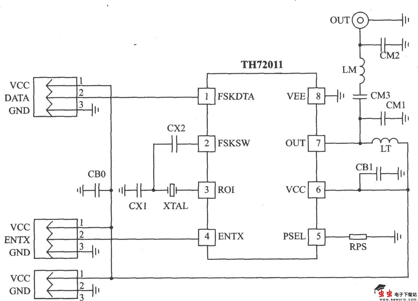
TH72011的应用电路
TH72011的应用电路的元器件
