rfPICl2C509AG/509AF ASK/FSK 480~310 MHz带8位微控制器发射器

📅 发布时间:2013-09-29 15:20 👁️ 浏览:4 🏷️ 标签: 509 rfPICl 480 310

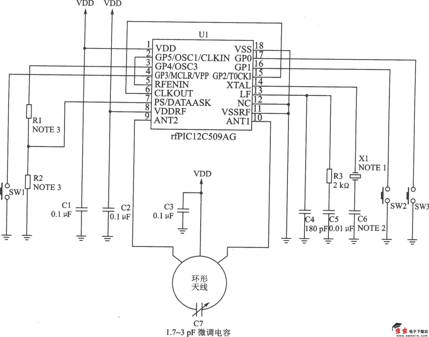
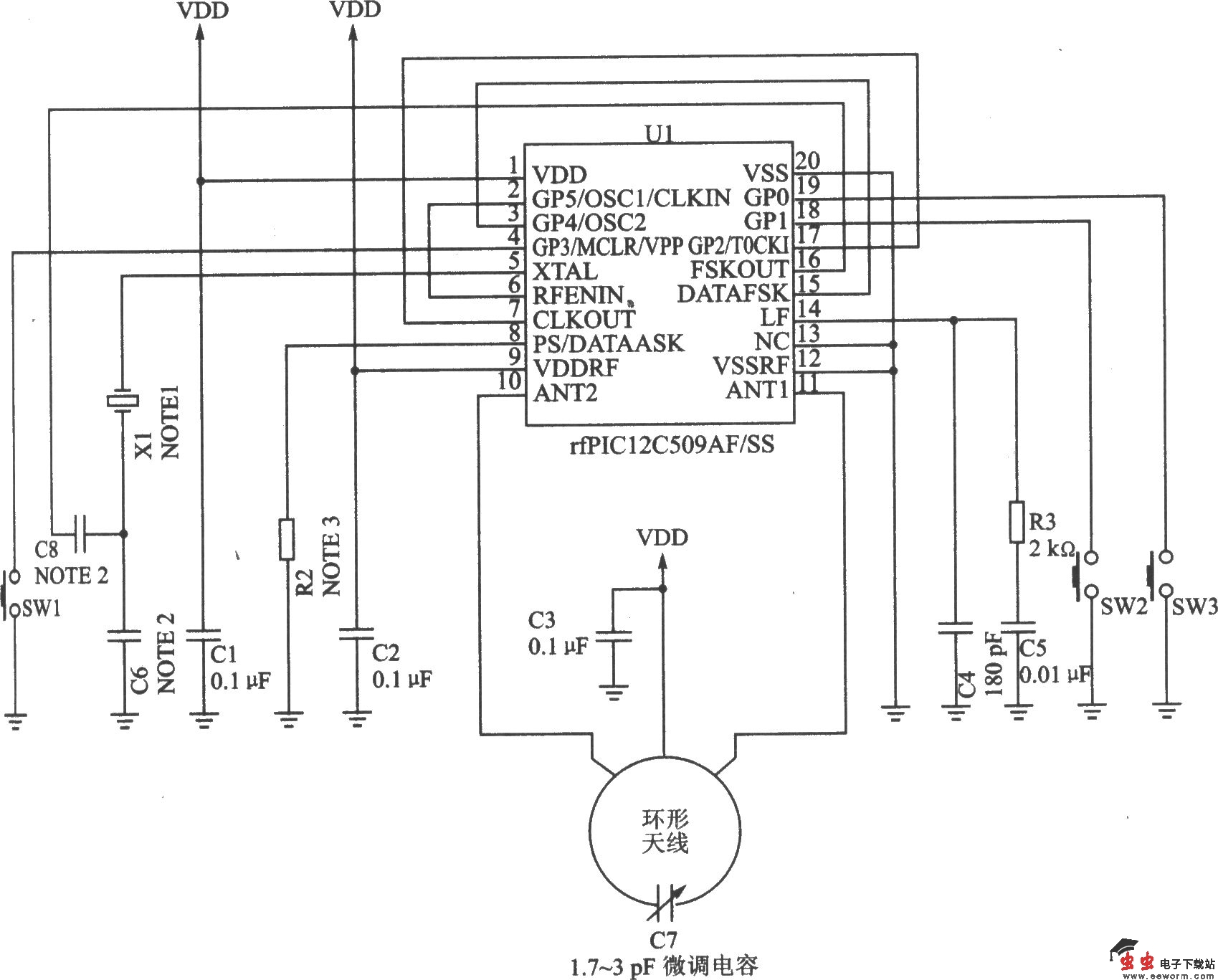
rfPICl2C509AG/509AF是内嵌8位CMOS微控制器的单片射频无线数据发射器,可用于遥控无键入口(RKE)发射器、车库门开门器、遥测(轮胎压力,水、电、气表,贵重物品跟踪)、无线安防系统和无线遥控等领域。 主要技术特点如下: ·芯片内嵌具有高性能的RISC中央处理器,33个12位字长的指令,8位字长的数据1024×12可编程EPROM,41字节数据RAM,8位可编程定时/计数器,上电复位,看门狗定时器,低功耗睡眠模式,可编程编码保护和5个通用I/O接口等功能; ·工作频率为310~480 MHz; ·rfPICl2C509AG调制方式为ASK,rfPICl2C509AF调制方式为ASK/FSK; ·ASK数据发射速率为0~40 Kb/s,FSK数据发射速率为0~20 Kb/s, ·工作电压2.5~5.5 V; ·输出功率 2~-l2 dBm,可调节; ·工作电流为-4.8~11.5 mA,低功耗睡眠模式电流为0.2~4μA。

 

rfPICl2C509AG ASK应用电路

 

rfPICl2C509AF FSK应用电路实例

觉得这篇文章有帮助吗?