T5 FM 433.92 MHz发射器模块

📅 发布时间:2013-09-29 14:55 👁️ 浏览:1 🏷️ 标签: 433.92 MHz T5 FM

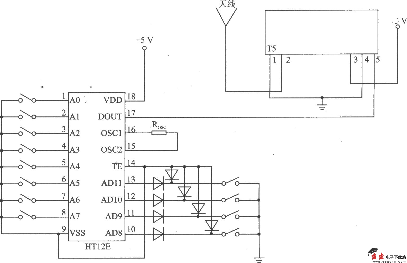
T5是一款微型的UHF发射器模块,与接收器模块R5配套使用,适合一对一或多点无线连接应用,如车辆的报警系统、库房大门的遥控开启以及家庭和商贸安防系统中应用。 主要技术特点如下: ·工作频率为433.92 MHz: ·数据传输速率可达到l28 Kb/s: ·发射距离可达到300 m; ·电源电压为4.5~5.5 V: ·最大工作电流为l2 mA: ·最大射频功率为 12 dBm.

 

T5发射器模块的应用电路

觉得这篇文章有帮助吗?