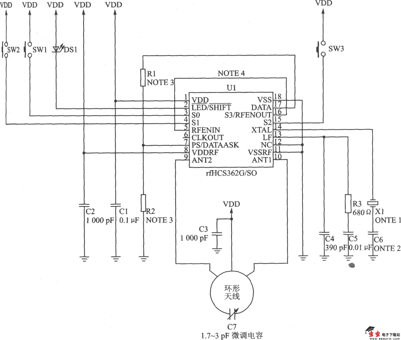
rfHCS362是一款集成了KEELOQ编码器和发射器的单片集成电路芯片。它符合美国FCC Part l5.231标准、欧洲ERC 70-03E和EN 300 220-1要求。它可以应用于自动遥控进入(RKE)系统、自动报警系统、公共门和车库门开启器、身份标记、防盗报警系统和建筑物入口等领域。 主要技术特点如下: ·片上有可调谐的编码器振荡器,编码器数据速率为417~3334 b/s可选择; ·有E2PROM编程接口,采用非易失的E2PROM存储器存储同步数据; ·rfHCS362G的加密键2×64,编码方式PWM/MAN,调制方式ASK; ·rfHCS362F的加密键2×64,编码方式PWM/MAN,调制方式ASK/FSK; ·加密密钥具有读保护; ·有晶振频率4分频的时钟输出端(CLKOUT); ·工作频率为310~440 MHz; ·工作电压为2.2~5.5 V; ·输出功率为-12~ 2 dBm可调; ·发射电流为4.8~11.5 mA,待机电流小于200 nA; ·差分输出结构,适用于单端天线或双端环路天线接人。

rfHCS362的ASK应用电路