KESTX01是单片ASK发射器芯片,符合ESTI 300 220的要求,适合无键进入系统、普通家庭和工业遥控器、RF连接和局部调度系统等低功率无线电的应用。 主要技术特点如下: ·工作频率为400~460 MHz: ·电源电压为3.5~6.5 v; ·最大工作电流为l2.5 mA,低功耗模式电流为0.7 μA; ·完全集成VC0、PLL和功率放大器。

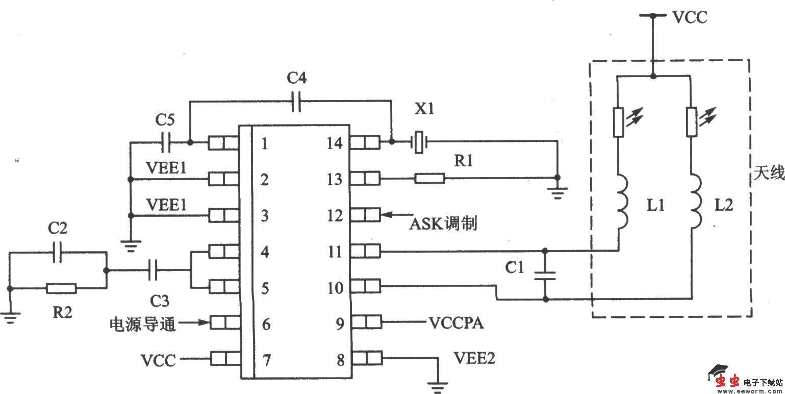
KESTX01的应用电路
KESTXOl应用电路元器件
KESTX01是单片ASK发射器芯片,符合ESTI 300 220的要求,适合无键进入系统、普通家庭和工业遥控器、RF连接和局部调度系统等低功率无线电的应用。 主要技术特点如下: ·工作频率为400~460 MHz: ·电源电压为3.5~6.5 v; ·最大工作电流为l2.5 mA,低功耗模式电流为0.7 μA; ·完全集成VC0、PLL和功率放大器。

KESTX01的应用电路
KESTXOl应用电路元器件