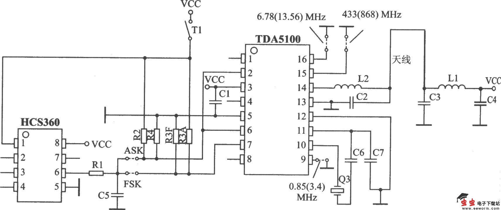
TDA5100 ASK/FSK 868/433 MHz发射器

📅 发布时间:2013-09-29 13:20 👁️ 浏览:1 🏷️ 标签: 5100 TDA 433 ASK

TDA5100是一个有高效功率放大器的发射器芯片,可用于无键进入系统、遥控系统、通信和安防系统中。 主要技术特点如下: ·工作频段为868~870 MHz和433~-435 MHz: ·ASK/FSK调制方式; ·电源电压为2.1~4 V: ·工作电流为8 mA,待机模式电流为l00 nA: ·具有高效功率放大器,能驱动环形天线。

TDA5100的应用电路

TDA5l00应用电路元件参数表

 

觉得这篇文章有帮助吗?