RX3310A接收模块

📅 发布时间:2013-09-29 07:45 👁️ 浏览:2 🏷️ 标签: 3310A 3310 RX 接收模块

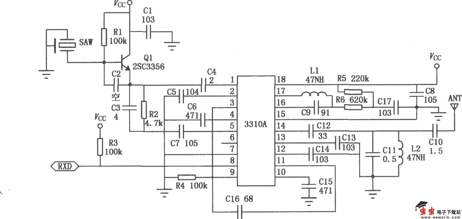
RX3310A模块是专门用于幅度键控ASK调制的无线遥控及数传信号的接收模块。该模块采用高性能无线遥控及数传专用集成电路,内含低噪音高频放大、混频器、本机振荡、中频放大器、中频滤波器、比较器等,并且采用316.8MHz的声表面波谐振器,所以工作稳定可靠,适合比较恶劣的环境下全天候工作。

RX3310A的超外差接收模块电路:

 

觉得这篇文章有帮助吗?