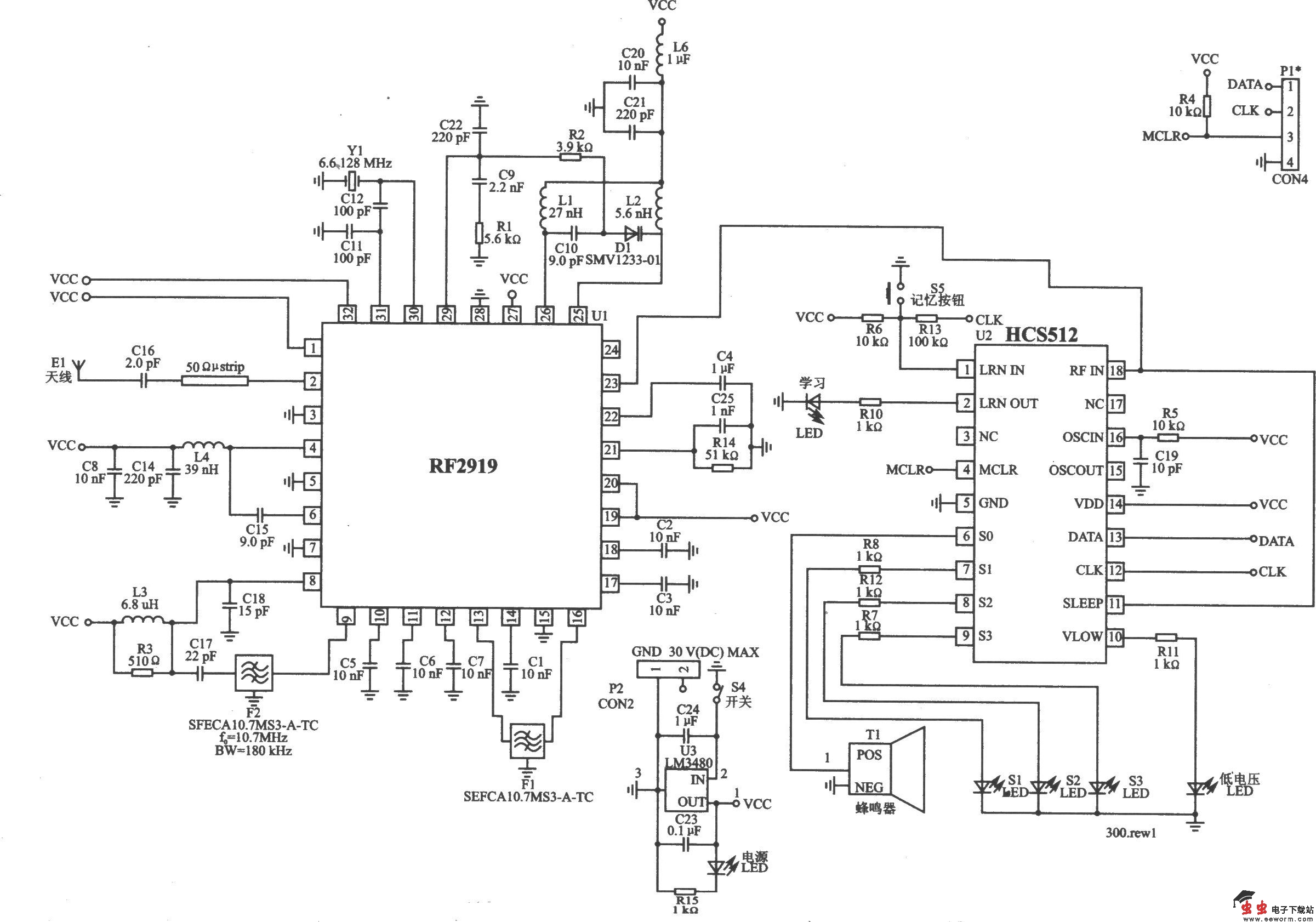
DKl001R是遥控无键进入系统的接收模块,由RF2919和滚动码***组成。与其配套使用的发射器模块是DKl001T。适合在无键进入系统、无线安全系统、远距离监控和遥控中应用。 主要技术特点如下: ·工作频率为433 MHz; ·滚动码***; ·LED和蜂鸣器指示器; ·输出功率为70 dBuV/m; ·电源电压为3.3~9.0 V; ·灵敏度为-l04 dBm; ·最大电流消耗(发射模式)为20 mA; ·天线印制在印制板上,电池在内部。
DKl001R 模块电路电原理图
DKl001R是遥控无键进入系统的接收模块,由RF2919和滚动码***组成。与其配套使用的发射器模块是DKl001T。适合在无键进入系统、无线安全系统、远距离监控和遥控中应用。 主要技术特点如下: ·工作频率为433 MHz; ·滚动码***; ·LED和蜂鸣器指示器; ·输出功率为70 dBuV/m; ·电源电压为3.3~9.0 V; ·灵敏度为-l04 dBm; ·最大电流消耗(发射模式)为20 mA; ·天线印制在印制板上,电池在内部。
DKl001R 模块电路电原理图