TDA5200 ASK 434/869 MHz接收器

📅 发布时间:2013-09-29 05:55 👁️ 浏览:1 🏷️ 标签: 5200 TDA 434 ASK

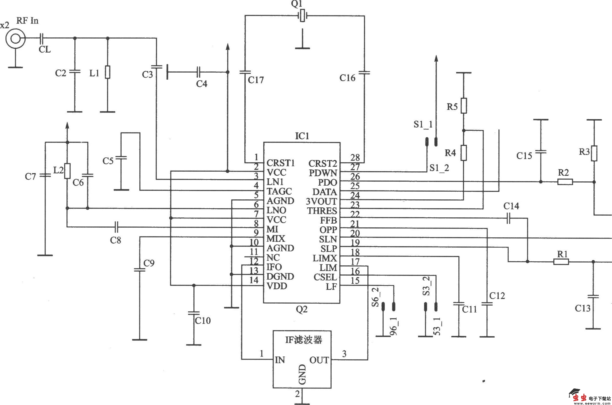
TDA5200是一款ASK超外差无线电接收芯片,与TDA5100配套使用,适用于ISM(工业、科学和医学)频率范围内的各种应用,如无键进入系统、安防系统、遥控系统和低比特率通信系统等。 主要技术特点如下: ·工作在868~870 MHz和433~435 MHz频段; ·接收灵敏度为-l05 dBm; ·能接收数字ASK信号; ·数据速率可达10 Kb/s; ·RSSl动态范围为60~80 dB; ·工作电源电压为5 V; ·工作电流为4.8 mA,待机模式电流为 50 nA;

 

TDA5200 的应用电路 TDA5200在433 MHz和867 MHz频段应用电路的元器件参数值

 

觉得这篇文章有帮助吗?