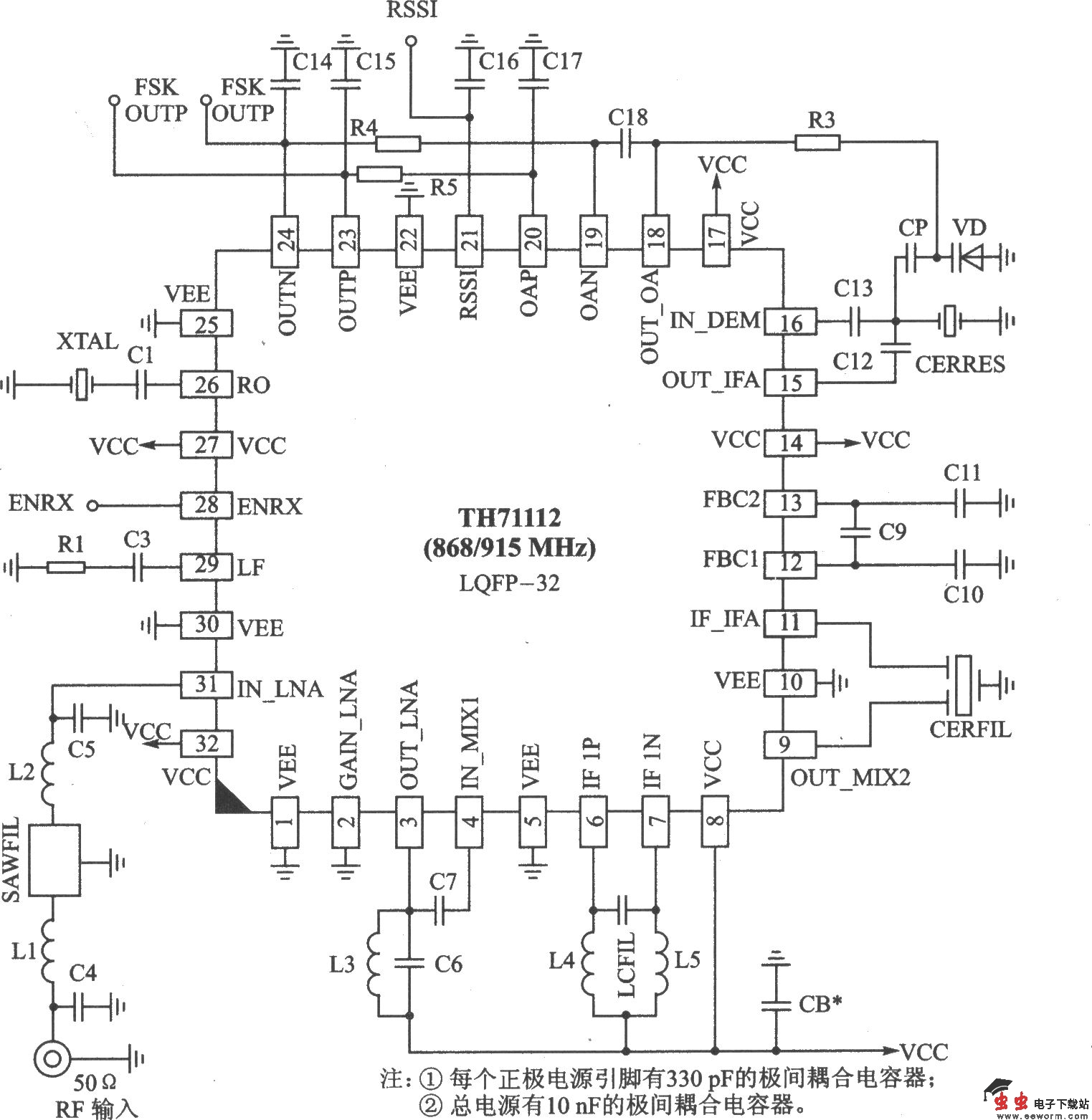
TH71112是Melexis公司推出的双超外差式结构的无线接收芯片。它适用于ISM(工业、科学和医学)频率范围内的各种应用,如无钥匙进入系统、安防系统、遥控/遥测系统和数据通信系统等。 主要技术特点如下: ·工作在800~930 MHz ISM频段; ·FSK/ASK/FM解调方式; ·FSK数据速率可达40 Kb/s,ASK数据速率可达80 Kb/s; ·FM带宽l5 kHz; ·灵敏度为-l09 dBm; ·工作电压为2.5~5.5 V; ·工作电流为9.2 mA(高增益模式),待机电流小于100 nA。
TH71112 FSK接收电路
TH71112用AFC和谐振器补偿的FSK接收电路
TH71112 FM接收电路 TH71112接收电路元器件数值
