DKl002R 868 MHz带滚动码接收器模块

📅 发布时间:2013-09-29 04:15 👁️ 浏览:1 🏷️ 标签: 002R DKl 002 868

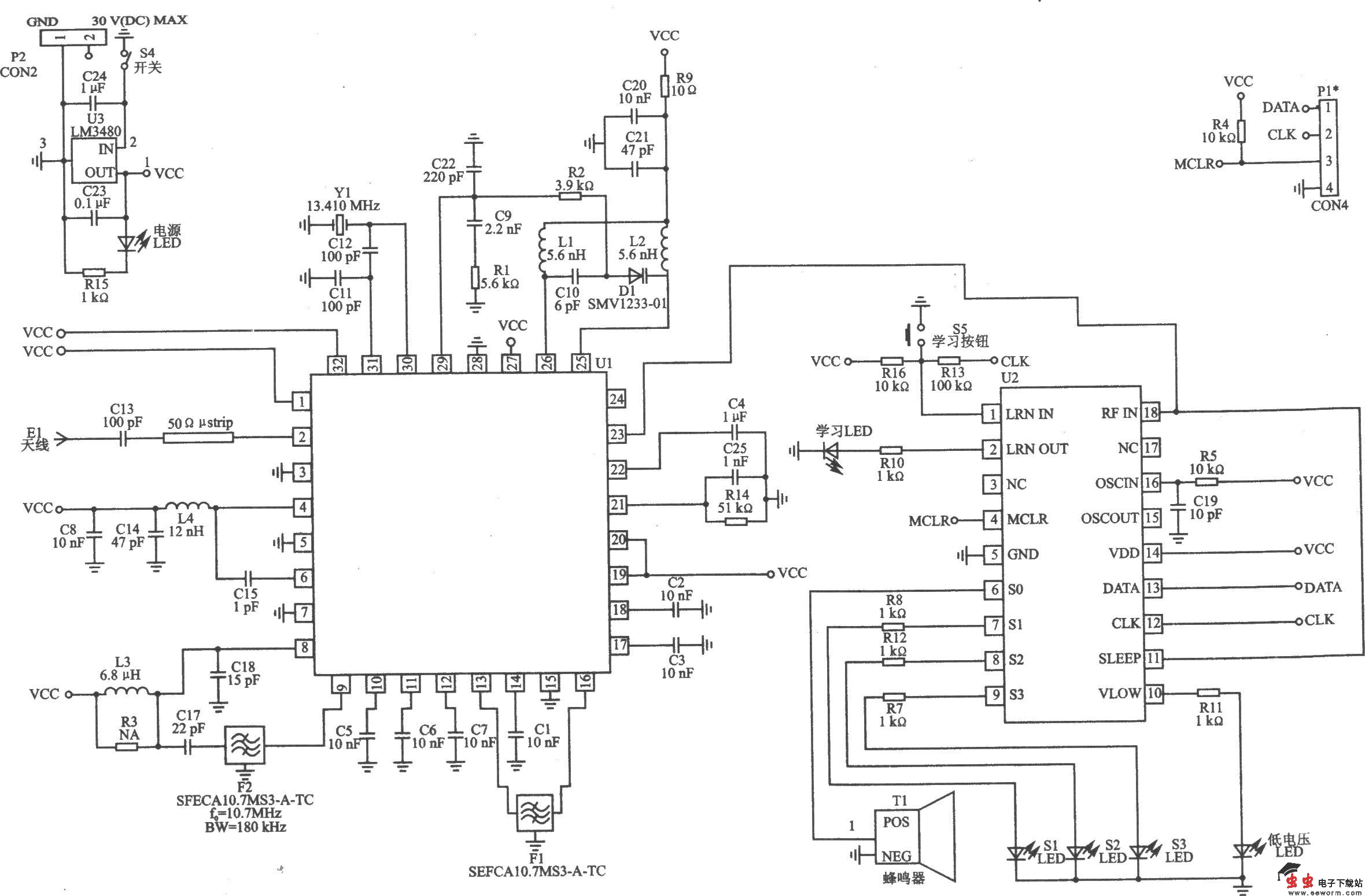
DKl002R是遥控无键进人系统的接收器模块,由RF2919接收器芯片和滚动码***芯片组成。DKl002R工作在868 MHz,天线印制在印制板上。与其配套使用的发射器模块是DKl002T。它适应在无键进入系统、无线安全系统、远距离监控和遥控中应用。 主要技术特点如下: ·工作频率为300~1000 MHz; ·滚动码编程; ·LED和蜂鸣器指示; ·接收灵敏度为-l00~-l04 dBm; ·电源电压为3.3~9.0 V; ·电流消耗(接收模式)为9~20 mA,低功耗模式电流消耗为1 μA。

 

DKl002R 的电原理图

觉得这篇文章有帮助吗?