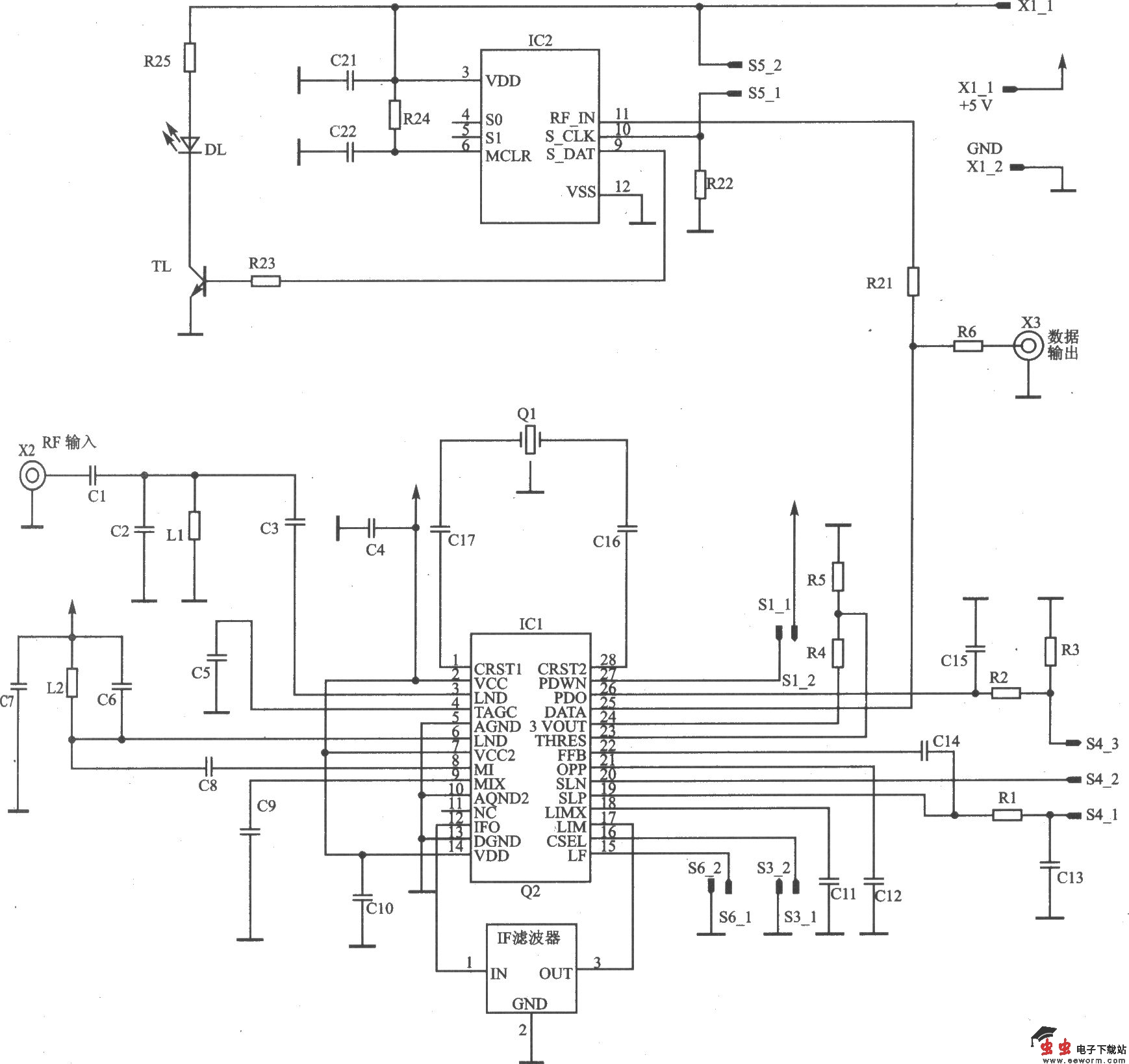
TDA5204 E1是低功耗接收器芯片,适用于ISM(工业、科学和医学)频率范围内的各种应用,如无键进入系统、安防系统、遥控系统和低比特率通信系统等。 主要技术特点如下: ·完全集成VC0和PLL合成器,数字限幅器自动调节阀值; ·工作在385~406 MHz频段; ·接收灵敏度小于-110 dBm; ·ASK解调方式; ·工作电源电压为5 V; ·工作电流为4.8 mA,待机模式电流为50 nA; ·集成度高,仅需要几个外部元件。
TDA5204 E1的应用电路 TDA5204 E1应用电路元器件
