本文介绍的数控多路开关由八键遥控器和带有八只继电器的接收组件两部分组成。该装置采用了高稳定无线收发模块和遥控专用编/解码集成电路,具有保密度高、遥控距离远、性能稳定可靠和静态功耗低等特点,可以对八路家用电器设备开关进行遥控。
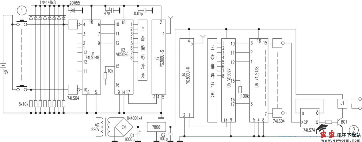
数控多路开关的遥控器电路如图1所示,该遥控器主要由三个集成电路组成。电路中U1(74LS148)为8-3线编码集成电路,它能把八路开关信号编成BCD码输出。U2(VD5026)为遥控专用编码集成电路,该集成电路共有8位地址码(~脚),4位数据码(~脚)。本电路只用了其中的3位数据码,而8位地址码可任意组合,即接电源正、负极或悬空构成三种编码状态,共有6561种不同的编码状态以区别不同的设备。U3(YG300U-S)为无线发射模块。
当无键按下时,U1、U2、U3无电源供电而不工作,因此不耗电。当有按键按下时,电源便经过二极管向三个集成块供电,同时输入的数据经74LS148编码后由它的、、脚向VD5026的、、脚输入数据,该BCD码经VD5026编码后,以串行编码脉冲方式通过脚输入到发射集成块YG300U-S的、脚,然后由脚向外发射。
接收组件部分如图2所示,U4为接收模块YG300U-R;U5为遥控专用解码集成电路VD5027,其~脚为8位三态地址编码端,与VD5026配套使用时,要求发送/接收的地址码必须一致,方可实现数据遥控;U6为3-8线译码器74LS138。YG300U-S发射的高频载波信号经天线接收后,由YG300U-R的脚输入,通过其内部的选频电路选出发射模块发出的有效信号,再经滤波、放大整形后由脚输出,进入VD5027的脚,经内部比较电路确认与VD5026的地址码一致时,由脚输出高电平到74LS138的脚启动74LS138开始工作,同时数据也从VD5027的、、脚输出到74LS138的、、脚,经74LS138译码后,与发射键相对应的引脚就输出低电平,再经74LS04反相后触发74LS74,就锁存输出6V高电平,从而继电器得电吸合,达到遥控电器开的目的。再按一次遥控器上的同一按键,继电器失电,关断电器电源。74LS04是六反相器,74LS74是双D触发器。
