激光自动报靶系统
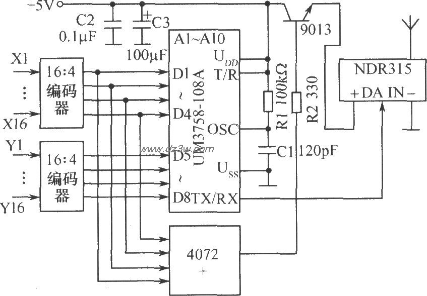
在练习者的枪上安装激光发射器,同时对靶面进行改造,其上布满光敏二极管构成的点矩阵,以使发出的激光射到靶面的光敏管上,经光电转换电路变为电信号,并由无线发射电路发送出去。在接收端的无线接收电路收到信号后,根据信号对应的二进制数值换算成射手的成绩并显示出来。工作原理具体电路如下:(1)光电转换电路
将运算放大器用作比较器,只要有激光照到光敏管上,光敏管电阻变小,运放V-电位低于V电位,故输出端为高电平。对于50cm×50cm的胸环靶,为保证激光光斑射到靶上,并落到一光敏管上,应根据光斑大小布置两光敏管的距离,同时考虑报靶的精度小于光敏管的密度,可将多个光敏管作为一个报靶信号点。VD01、VD02两光敏管对应实际靶上的不同点,不管激光射到VD1或VD2,输出端均为高电平。但作为显示成绩它们是同一信号点。(2)发射电路
该电路的核心芯片为UM3758-108A,它是一块收发两用单片编解码集成芯片,引脚T/R接高电平为编码发送,接低电平为接收译码。选用它是因为恰好有8位数据线,可一次完成编码传送。数据经UM3758并一串转换后再由无线发射模块NDR315发射出去。为降低功耗,当未发射激光或未打中靶时,无线发射模块无电不工作;故将编码后的4行(或列)信号送人一4输入或门,只要击中靶面,行或列均至少有一位为高电平(第一行,第一列不设光敏管),或门的输出端就为高电平,使三极管9014饱和导通,无线发射模块得电工作。(3)接收电路
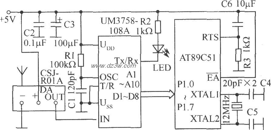
CIS-ROIA为无线接收模块,UM3758-108A的T/R为低电平,工作于接收模式,将CJS-RO1A收到的串行数据译码还原为8位并行数据,送入单片机处理,由单片机转化成显示数据送出去显示。
激光自动报靶系统电路
觉得这篇文章有帮助吗?