病房病员报讯显示器电路原理

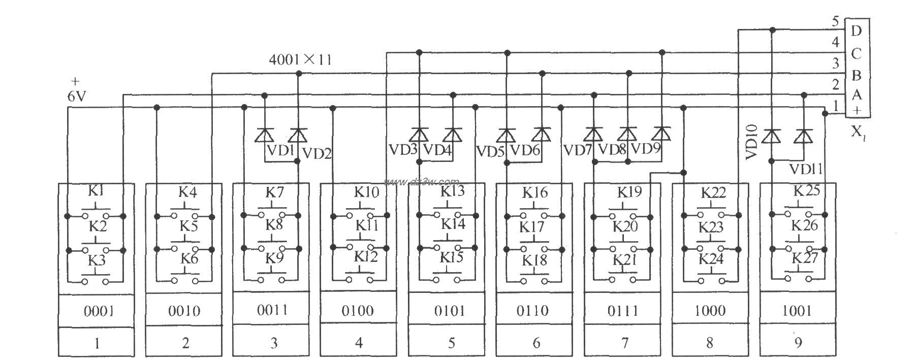
如图所示为病房病员报讯显示器其声光终端安装在护士值班室。显示为一位数,以每间三病床合用一号,则接纳27位病人受控报讯,可满足一般小医院病房区使用。该电路仅用2片常用微功耗CMOS电路IC1(4511)和IC2(4001),另加一片“叮咚”门铃片IC3(KD-153)。不仅成本低,且等待状态时功耗仅数微安,可直接用5号电池6V接入,亦可不必设电源开关,使用者不用担心电网停电事故。报闹显示时虽有100mA的耗电,但每次触发仅约8s,故4节5号电池可持续使用半年时间。工作原理:Xl插座输入ABC04线作为译码器IC1(4511)二进制输入码,平时无信号输入时地址码为0。因无信号触发单稳电路,故译码器IC1输出处于高阻状态。当输入数字1~9时,高电平脉冲触发IC2A与IC2B两门构成的单稳电路,输出脉宽为8s的延时脉冲,使IC3叮咚门铃片发出约6声“叮咚”声。同时使IC1之4脚升为“1”电平并启动IC2C与IC2D两门组成的低频振荡器对显示进行调制,让译码显示数字产生间断闪烁的醒目效果。R4与R5比例构成调制脉冲占空比,即显/熄比例;R7与C11、C12决定每次触发后的单稳延时时间,KO为显“0”检查键。下图将X1插头5线引出线作为地址码总线,把二进制码串入二极管接各病房号开关引线,各室同时并上3个开关,以满足同室三床位使用。

元器件选择:,译码器IC1(4511)驱动能力较大,可驱动0.8'~1.2'共阴高亮型LED数码块,该图采用1'共阴LED数码块。应当提醒,不同尺寸和型号的LED块其排列驱动笔划是不同的,焊装前要先测量是否符合本线路板图,否则应更正排版,但一定要用共阴极LED。VD3~VD6二极管采用2AK锗管可降低压降,提高单稳输入触发幅度,若缺货也可用1N4148硅管,其他二极管可任选。VT1选用收音机的输出变压器,可直接接在扬声器焊点上,再用热熔胶固定。Y1可用2英寸~2.5英寸扬声器。其他分立器件按图数值选用。
病房病员报讯显示器电路
觉得这篇文章有帮助吗?