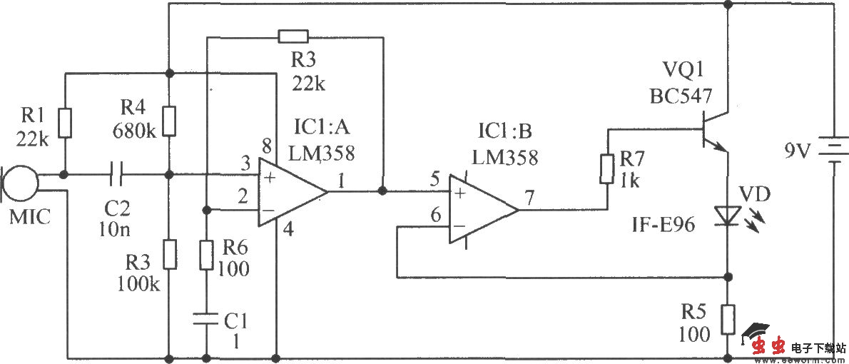
发射器电路板:

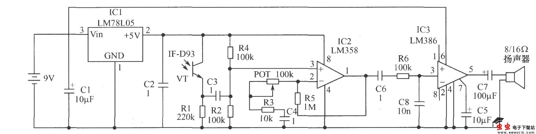
光电接收器:

此电路可以通过1mm塑料光缆传送语音。发射器电路板(KIT26 T)上有一个话筒和调制LED发光的线路。LED装在塑料壳中以便于连接FO光缆进行发送。在接收器(KIT26 R)板上有光电接收器、扬声器及用于将检测到的光信号变为电信号、放大并且转换为声波的电路。语音信号以光波形式在光缆内传输、不受任何电场和磁场的影响。传输距离远,抗干扰能力强。每个电路板需要一个9V电池,但连续使用时建议使用整流电源。装置中安装有4.3m直径1mm的塑料光缆。此线路能很好地传送信号通过183m光缆。注意:这里使用的塑料光缆不是1μm的玻璃光缆,使用玻璃光缆可以在更远的距离(约32km)内通信。而塑料光缆实验应用十分方便,而且在电子噪声环境中进行短距离通信有明显的抗干扰效果。此电路组装在单面印制线路板上。工作原理:音频信号最初是声波,由发送器的电子麦克风转换为电信号。此信号由LM358组成的音频放大器放大,并且借助于一个单独的晶体管控制LED的端电压,将电信号转换为光信号。光信号送入塑料光缆。在光缆的另一端,光信号照射到接收器的光电管上。光电管再将其转换为电信号。此信号被放大并送人扬声器转换为声波。发射器元器件选择:IC1选用LM358集成电路。VQ1选用BC547三极管。C1选用0.1μF单体电容。VD选用IF-E96光电发射器(蓝底粉红点)。其他元器件如图所示。接收器元器件选择:VT选用IF-D93光电检测器(黑底红点)。C2、C3、CA、C6均选用0.1μF单体电容。其他元器件如图所示。