D触发器组成的曝光定时器

📅 发布时间:2013-10-03 02:05 👁️ 浏览:0 🏷️ 标签: D触发器 曝光定时器

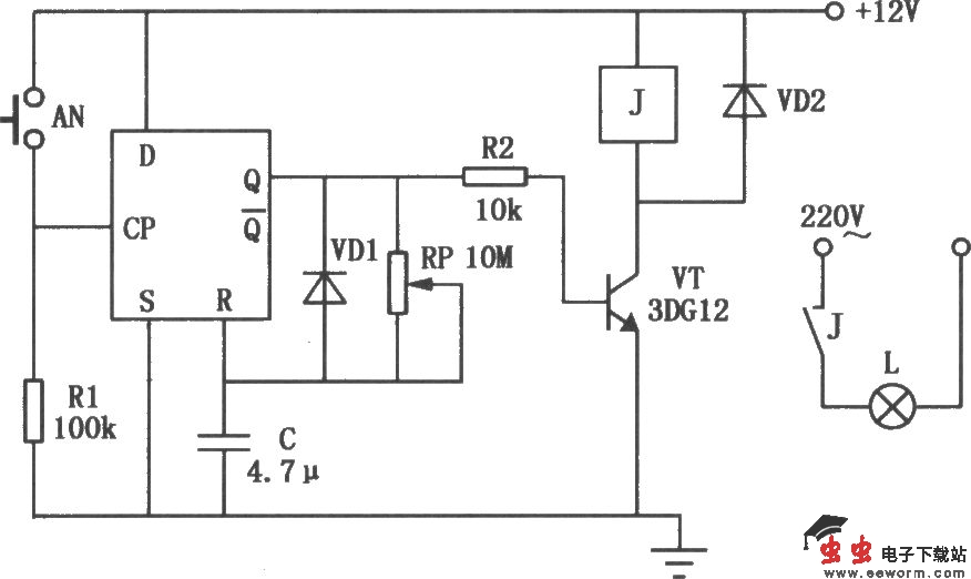
D触发器组成的曝光定时器

如图所示是D触发器组成的曝光定时器电路,定时时间可在1~30s内任意选择。图中D触发器接成单稳态电路,当需要曝光时,按一下按钮AN,即有一个脉冲作用于D触发器的CP端,使电路进入暂稳态。

觉得这篇文章有帮助吗?