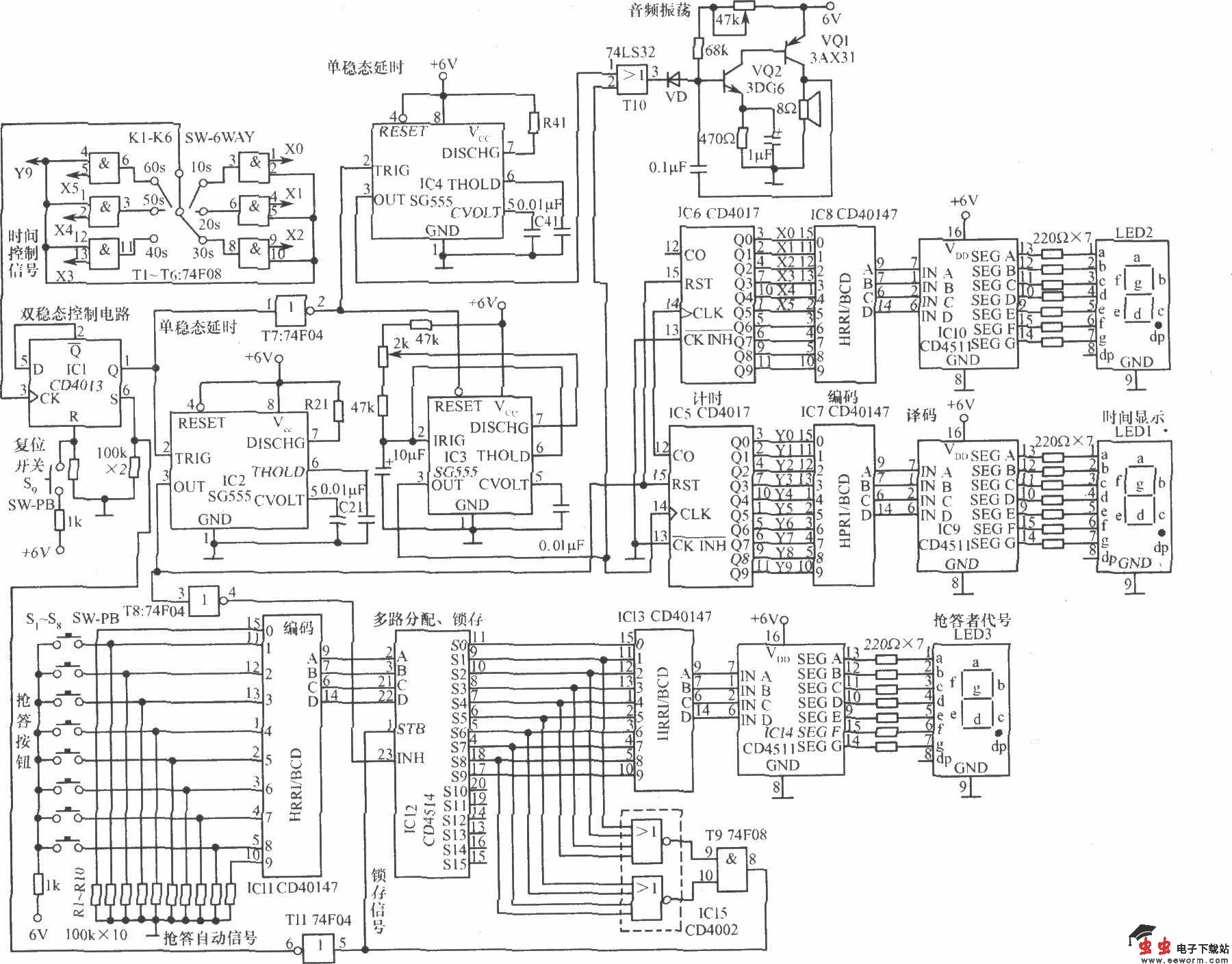
计时抢答器

📅 发布时间:2013-09-30 23:05 👁️ 浏览:0 🏷️ 标签: 计时 抢答器

计时抢答器

如图所示,计时抢答器由以下几部分电路组成:

(1)时钟脉冲振荡电路。IC3及其外围元器件组成振荡器,周期T=1s。

(2)显示、发光电路

(3)抢答制动电路

(4)走时结束制动电路

(5)复位启动

(6)秒频率发光电路:

计时抢答器 

觉得这篇文章有帮助吗?