
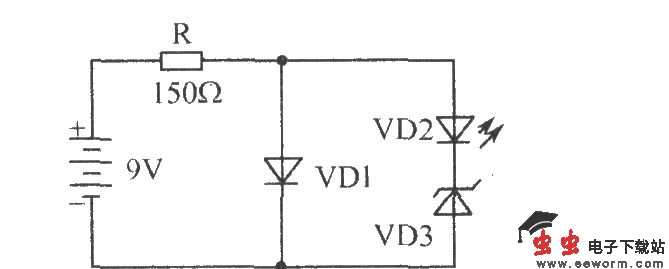
如图所示是双发光二极管交替闪烁器电路图。仅用了4只元件就构成了有趣的两管交替闪烁电路。VD1是一只闪烁发光二极管,VD2则用了普通发光二极管。其工作过程如下:VD1工作时需要5V、30mA。当接通电源,VD1导通发光时大约有5V左右电压加在串联的VD2和VD3上,VD3为6.2V稳压二极管,故VD3不工作,此时只有VD1亮,当VD1间歇不亮时,电源电压通过R限流加在VD2、VD3上,于是VD3稳压管工作,其电流流经VD2发光, VD1不断闪烁,VD1、VD2交替发亮。

如图所示是双发光二极管交替闪烁器电路图。仅用了4只元件就构成了有趣的两管交替闪烁电路。VD1是一只闪烁发光二极管,VD2则用了普通发光二极管。其工作过程如下:VD1工作时需要5V、30mA。当接通电源,VD1导通发光时大约有5V左右电压加在串联的VD2和VD3上,VD3为6.2V稳压二极管,故VD3不工作,此时只有VD1亮,当VD1间歇不亮时,电源电压通过R限流加在VD2、VD3上,于是VD3稳压管工作,其电流流经VD2发光, VD1不断闪烁,VD1、VD2交替发亮。