
该计数器可将机械或人工计数方式变为电子计数,并且采用LED数码显示,简单直观,可适用于诸多行业,以满足现代生产、生活方式的需求。
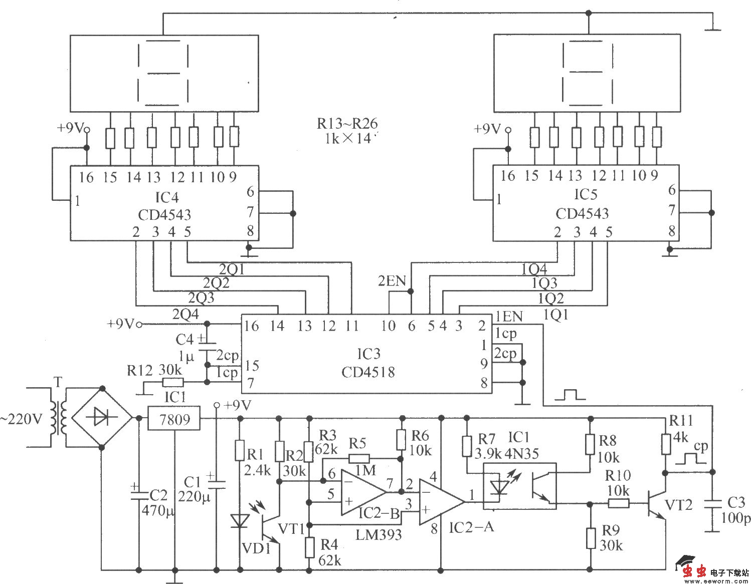
工作原理电路如图所示,包括电源、光电计数和计数显示三大部分。
光电计数部分:当光敏三极管VT1接收到红外发光二极管VD1射来的红外光线时,其亮电流增大,内阻减小,集电极输出低电平。此低电平加到电压比较器IC2-B的反相输入端6脚,同时因IC2-B的同相输入端5脚经R3、R4电阻分压后,电压为4.5V,因此6脚电压小于5脚电压。IC2-B的7脚输出高电平。此高电平又加到比较器IC2-A的反相输入端2脚,使2脚电压高于同相输入端3脚电压,比较器IC2-A的1脚输出为低电平,该低电平使光电耦合器内藏发光管点亮,对应的光敏管导通,三极管VT2也导通,VT2集电极输出低电平。当有物体通过红外发光二极管VD1和接收管VT1之间时,红外线被挡住,VT1因无光照,其暗电流小于0.3μA,集电极输出高电平。因比较器IC2-B的6脚电压大于5脚电压,比较器的7脚输出低电平,同样比较器IC2-A的2脚电压小于3脚电压,使1脚输出为高电平,光电耦合器截止,三极管VT2也截止,VT2集电极输出高电平。从上述可见,当有物体通过VT1时,便在VT2集电极上输出计数脉冲信号。
计数显示部分:采用CD4518组成8421码同步十进制计数器,对VT2集电极输出的脉冲信号下降沿进行计数。为满足下降沿计数的要求,需将CD4518的cp端接地,计数脉冲信号接EN输入端。因CD4518内含两个相同的计数器,可将第一级的Q4输出接第二级的EN端,构成两级串行计数,实现0~99的计数显示。CD4518的第7、15脚为清零端Cr,通过电阻R12接地为零电平,与电容C4一起实现开机清零作用。译码电路采用两块CD4543分别组成BCD7段译码器,驱动LED数码显示器。电阻R13~R26为限流电阻。
元器件选择:电压比较器为低功耗、低失调的LM393;光电耦合器采用4N35或TIL117;三极管VT2为2SC218;IC3为CD4518;IC4、IC5为CIM543。数码显示器采用共阴极WD506C。VD1为红外发光二极管SE303;VT1为3DU12光敏三极管。电阻全部采用(1/8)W金属膜电阻。
制作与调试制作时要求发光管与接收管正对,同时为避免自然光线干扰引起的误计数,应在接收管上套一段黑色圆筒作遮光筒。该计数器可实现0~99的计数显示,若要增加计数位数,可直接对计数显示部分进行扩展。