
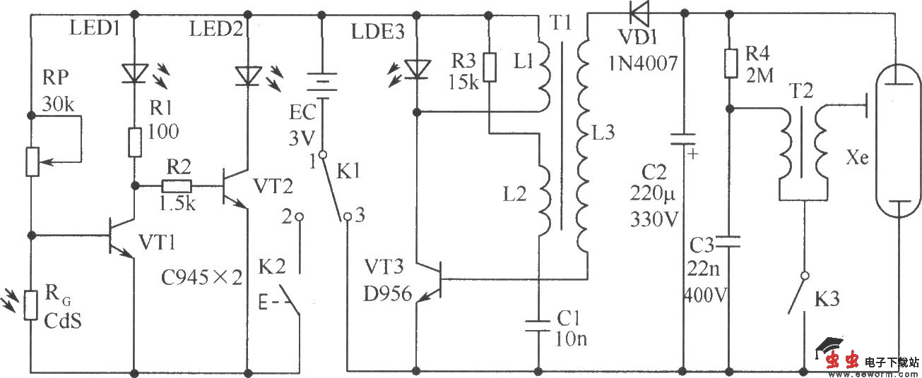
该电路是由测光电路和闪光电路组成,如图所示。它适用于POPTICS(是一种普及型一体化相机)、富兰卡X-500、WIZEN-860S等相机。它由以下几部分电路组成:
(1)VT1、VT2、测光元件RG(使用硫化镉CdS光敏电阻)构成测光电路。
(2)VT3、C1、T1等组成电感三点式振荡电路,完成直流低压→交流高压→直流高压的变换,为闪光灯供电。
元器件选择:VT1、VT2选用C945型三极管;VT3选用D965型三极管。LEDl、LED2、LED3分别选用Φ55mm红色、绿色、黄色发光二极管。RG选用CdS光敏电阻。其他元器件选用如图所示。