光电式自动点数器

📅 发布时间:2013-09-30 13:05 👁️ 浏览:1 🏷️ 标签: 光电式 自动

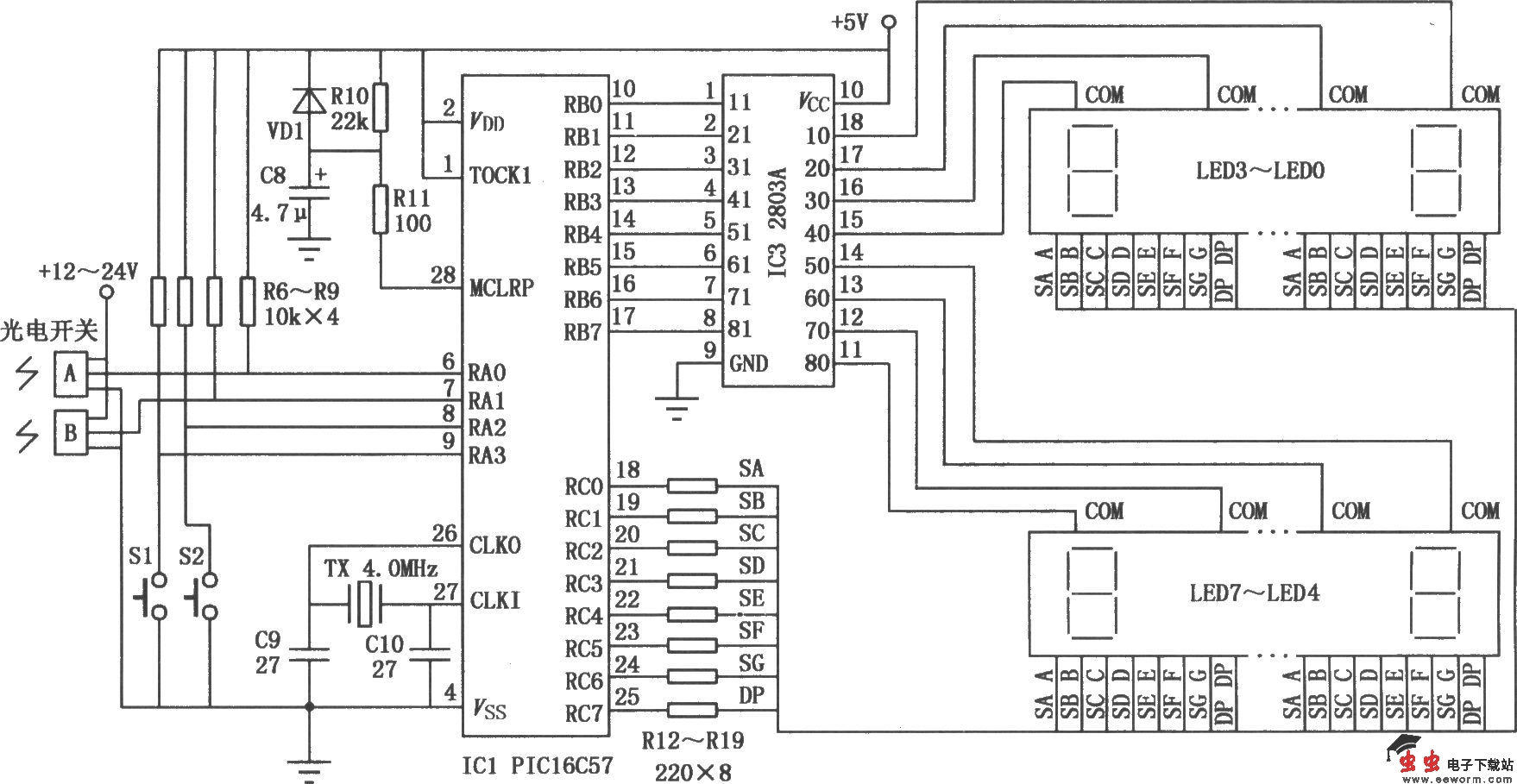
光电式自动点数器

光电式自动点数器电原理见图。它用单片机PIC16C57制成,非常适合工业自动化生产线,具有一定的实用价值。

觉得这篇文章有帮助吗?