人员接近探测器(LM385)

📅 发布时间:2013-09-30 11:55 👁️ 浏览:2 🏷️ 标签: 385 LM 接近探测器

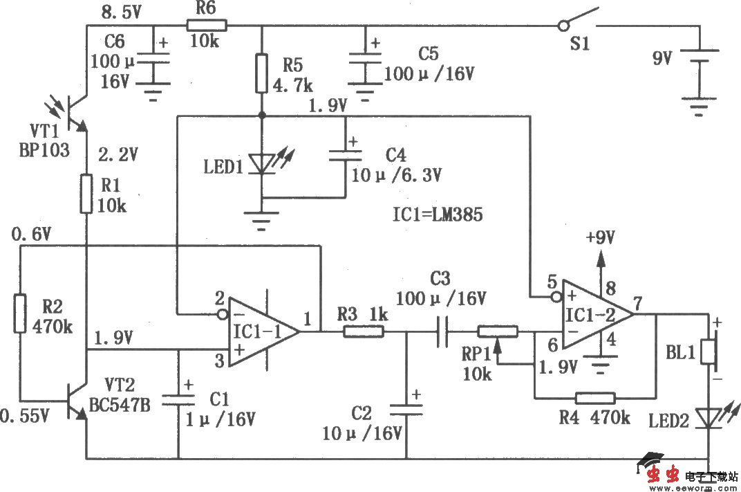
人员接近探测器(LM385)

人员接近探测器电路如图所示。该电路采用普通光电管来探测人员进入警戒区域时引起环境光照变化,从而实现探测功能。

觉得这篇文章有帮助吗?