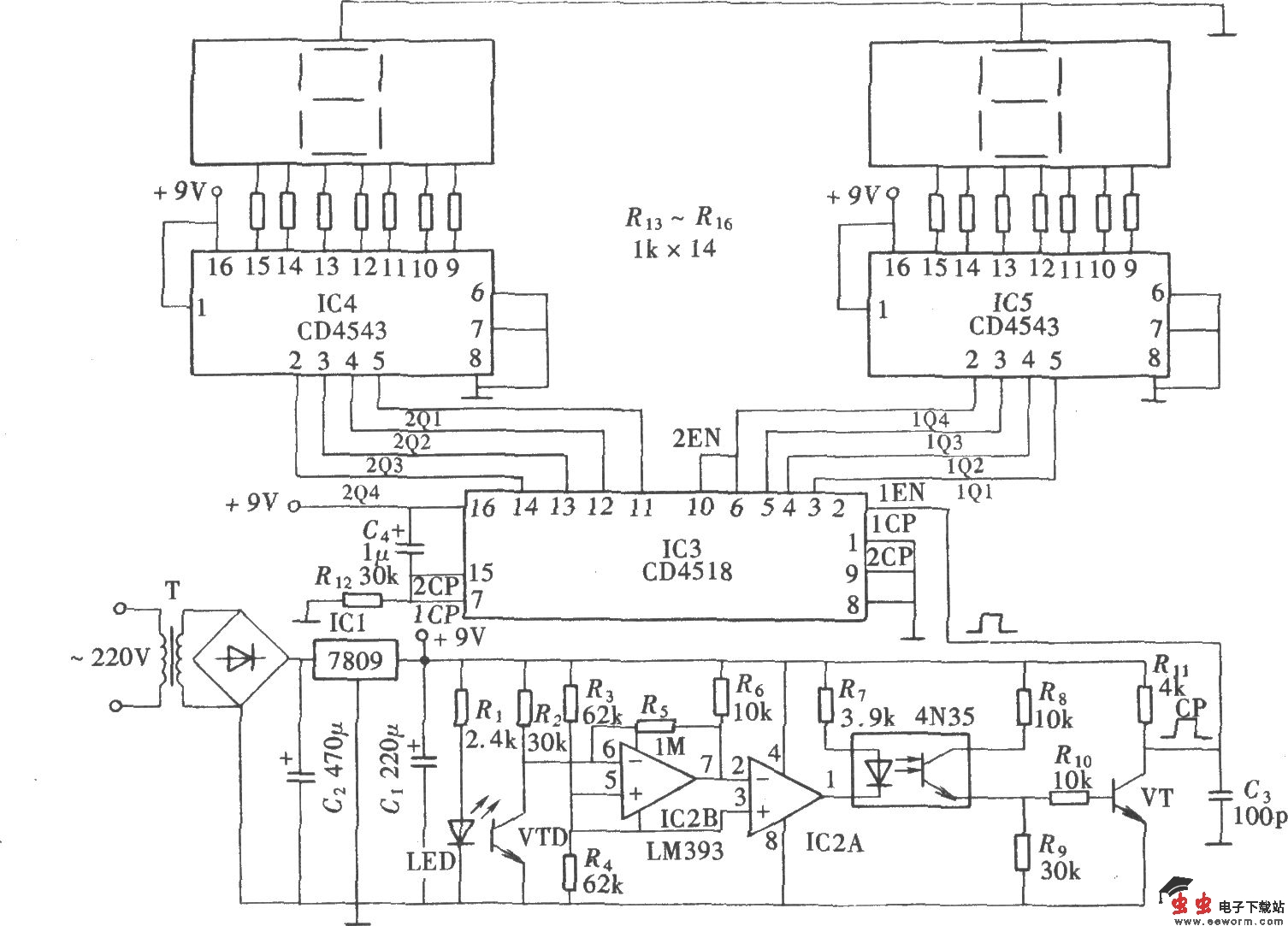
数字式电子计数器有直观和计数精确的优点,目前已在各种行业中普遍使用。数字式电子计数器有多种计数触发方式,它是由实际使用条件和环境决定的。有采用机械方式的接触式触发的,有采用电子传感器的非接触式触发的,光电式传感器是其中之一,它是一种非接触式电子传感器。采用光电传感器制作的光电式电子计数器如图所示。这种计数器在工厂的生产流水线上作产品统计,有着其他计数器不可取代的优点。该例光电触发式电子计数器只有两位数,但通过级联可以扩展为四位,甚至多位。
数字式电子计数器有直观和计数精确的优点,目前已在各种行业中普遍使用。数字式电子计数器有多种计数触发方式,它是由实际使用条件和环境决定的。有采用机械方式的接触式触发的,有采用电子传感器的非接触式触发的,光电式传感器是其中之一,它是一种非接触式电子传感器。采用光电传感器制作的光电式电子计数器如图所示。这种计数器在工厂的生产流水线上作产品统计,有着其他计数器不可取代的优点。该例光电触发式电子计数器只有两位数,但通过级联可以扩展为四位,甚至多位。