为电话机增加定时免打扰功能

📅 发布时间:2013-09-27 13:15 👁️ 浏览:0 🏷️ 标签: 电话机 定时

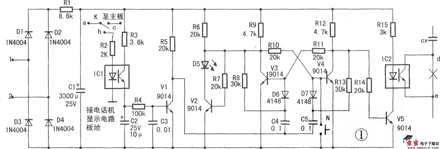
为电话机增加定时免打扰功能

图中电阻R1选用1/4 W碳膜电阻,其余全部用1/16 W碳膜电阻, ICl、IC2选用PC817光电耦合器,D5用Φ3mm蓝色高亮度发光管,固定在面板的适当位置,V3、V4最好配对使用,B值>150,其余元件的参数如图中所标注。

觉得这篇文章有帮助吗?