数字编码无线遥控调光电路

📅 发布时间:2013-09-27 08:50 👁️ 浏览:1 🏷️ 标签: 数字编码 无线遥控 调光电路

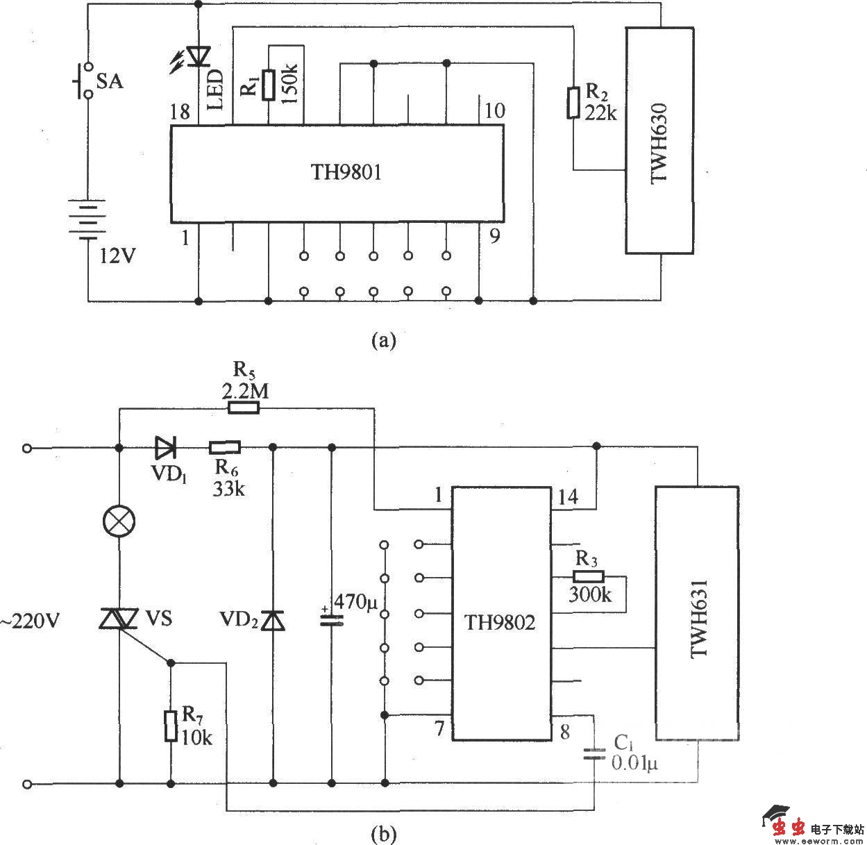
数字编码无线遥控调光电路

该电路采用无线遥控组件TWH630/TWH631和编码四级调光集成电路TH9801/TH9802,由无线编码发射器和接收译码控制器两部分组成。按动发射器按钮,可控制白炽灯的亮度按照弱、中、强、熄灭顺序变化。(a)是发射电路;(b)是接收电路.

觉得这篇文章有帮助吗?