用硅光电组成的路灯照明自动控制电路

📅 发布时间:2013-09-26 00:30 👁️ 浏览:0 🏷️ 标签: 光电 路灯照明 自动控制电路



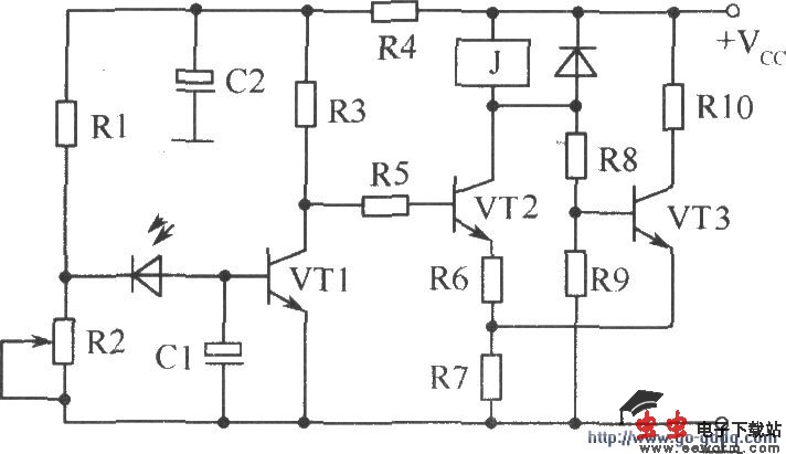
如图所示,在白天,硅光电池输出电压使VT1导通,VT2截止,继电器不吸合;天黑时,硅光电池输出电压渐小,使得VT1截止,VT2导通,继电器吸合,照明灯亮。电路中VT2、 VT3组成施密特触发器,用来避免照明灯产生忽明忽暗的抖动现象。l也可在较宽范围内选择点亮照明灯的照度(即天黑到什么程度亮灯),电容C起延时作用(约5s),以避免闪电引起瞬间灭灯现象。

觉得这篇文章有帮助吗?