用CD71061构成的多功能程控闪光集成电路

📅 发布时间:2013-09-25 23:10 👁️ 浏览:1 🏷️ 标签: 71061 CD 多功能 程控

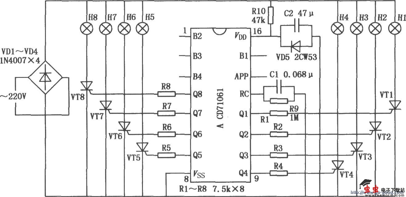
CD71061构成的多功能程控闪光集成电路

多功能程控闪光集成电路如图所示。它可依次显示六种基本花样,即弹性张缩、全亮间隔闪光、向左倒流水、向右正流水、向右依次亮同时灭以及同时亮向左依次灭。这六种基本花样可循环显示,循环的次数可控。

觉得这篇文章有帮助吗?