由DSM-872构成的两灯泡便轮流闪光电路(二)

📅 发布时间:2013-09-25 22:05 👁️ 浏览:2 🏷️ 标签: DSM 872 闪光电路

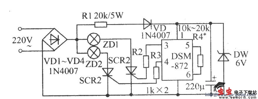
DSM-872典型应用电路(二)

如图所示电路,由于3、4脚高低电平交替输出,SCR1和SCR2轮流开通,。

觉得这篇文章有帮助吗?