用DSM-872构成的轮流发光电路(一)

📅 发布时间:2013-09-25 19:40 👁️ 浏览:1 🏷️ 标签: DSM 872 发光 电路

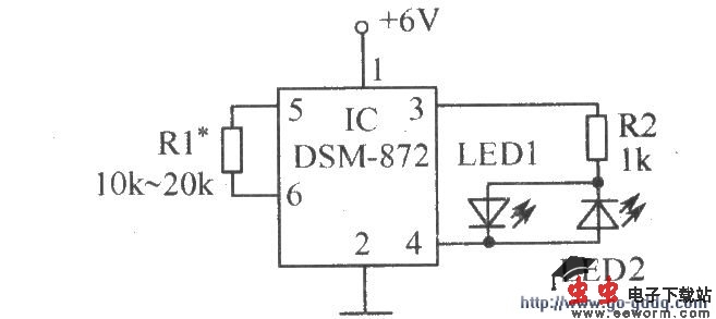
DSM-872典型应用电路(一)

如图所示电路,当IC的3、4脚交替为高、低电平时,发光二极管LED1和LED2轮流发光。

觉得这篇文章有帮助吗?