⭐ 欢迎来到虫虫下载站!
|
📦 资源下载
📁 资源专辑
ℹ️ 关于我们
⭐ 虫虫下载站
🔐
登录
📝
注册
虫虫下载站
专业电子工程师资源平台
📤 上传资源
🏠 首页
📦 资源下载
📁 资源专辑
🔧 热门软件
⭐ 精品资源
🎓 基础知识
📐 电路图
📚 电子书
🔢 在线计算器
🔍 代码搜索
🏠 首页
›
电路图
›
汽车电路
›
汽车中央门锁及启动系统
汽车中央门锁及启动系统
📅 发布时间:
2013-03-11 09:36
👁️ 浏览:
2
🏷️ 标签:
汽车
中央
门锁
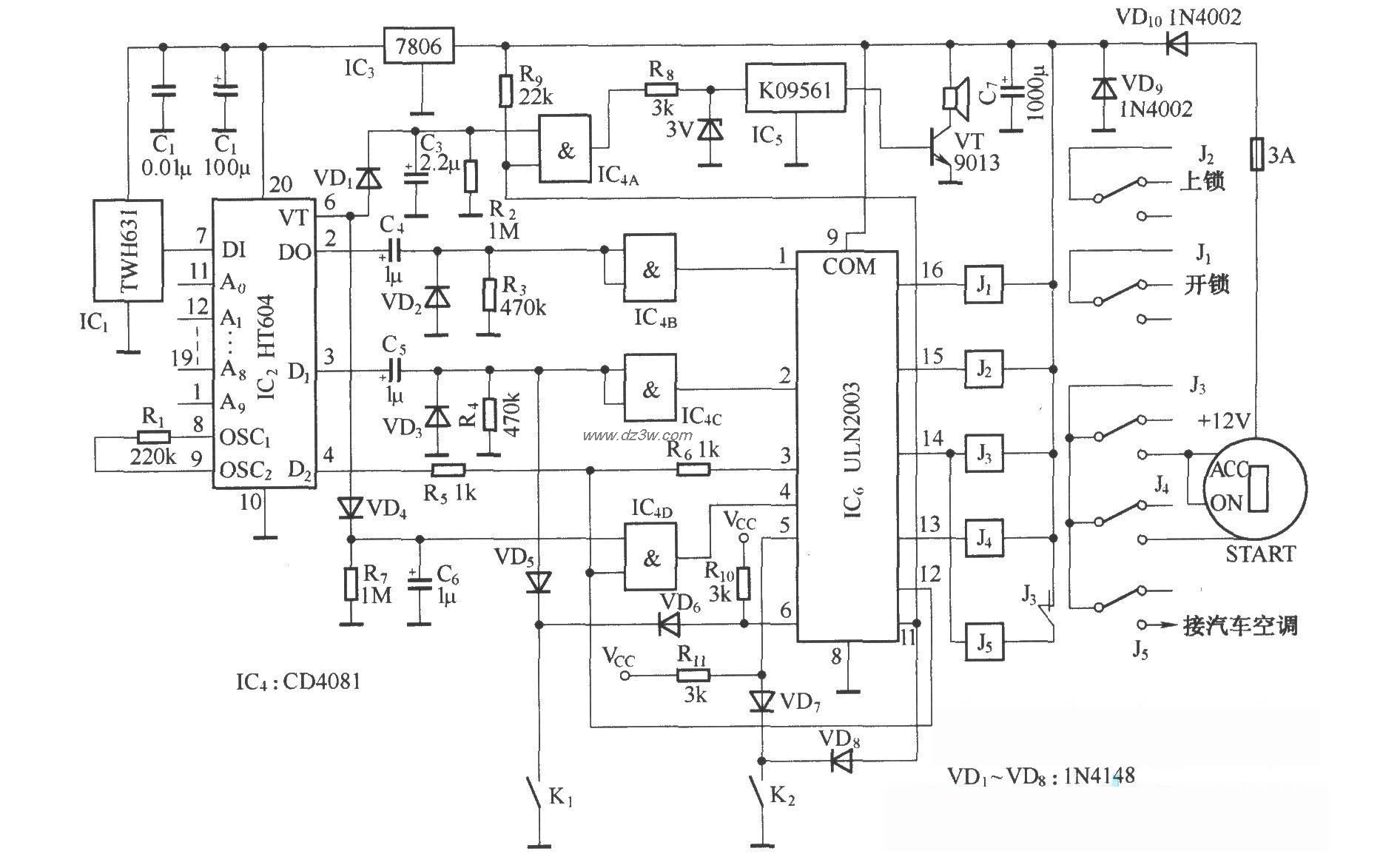
该电路可以实现汽车门锁的遥控开锁与上锁,启动与停止发动机等功能,它由遥控器及主机两部分组成.在车门未关好时,不能遥控上锁;未拉上手刹时,发电机不能遥控启动,同时主机可发出报警提示音.汽车中央门锁及启动遥控器电路:
汽车中央门锁及启动系统接收主机电路:
觉得这篇文章有帮助吗?
👍 来顶一下 (
25
)
🔐 用户登录
×
加载中...
加载登录表单中...
🎁
免费注册送10积分
×
加载中...
加载注册表单中...
🔑 找回密码
×
加载中...
加载表单中...
🔐
需要登录
×
🔒
登录后即可使用!
🎁
新用户注册立即送10积分
积分可用于下载资源,免费获取优质技术资料
🚪
退出登录
×
👋
确认要退出登录吗?
退出后需要重新登录才能下载资源