汽车中央门锁及启动系统的控制

📅 发布时间:2013-09-27 09:00 👁️ 浏览:4 🏷️ 标签: 汽车 中央 控制 门锁

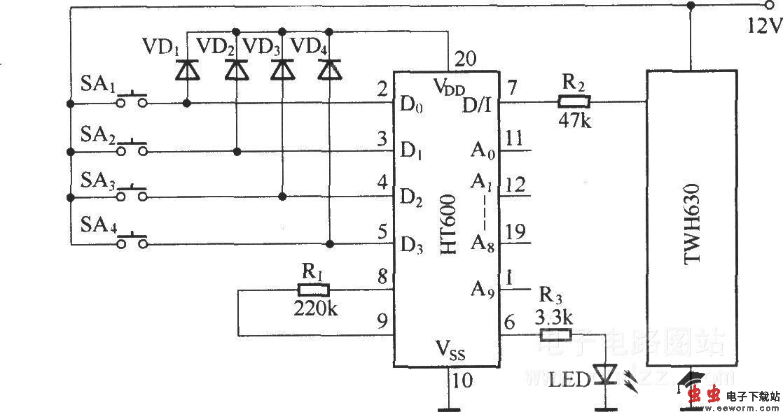
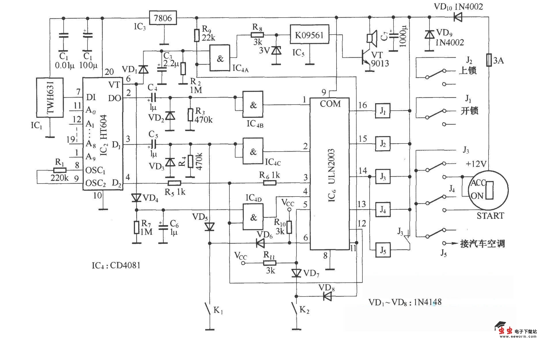
该电路可以实现汽车门锁的遥控开锁与上锁,启动与停止发动机等功能,它由遥控器及主机两部分组成.在车门未关好时,不能遥控上锁;未拉上手刹时,发电机不能遥控启动,同时主机可发出报警提示音.

汽车中央门锁及启动遥控器电路:

汽车中央门锁及启动系统的控制

汽车中央门锁及启动系统接收主机电路:

汽车中央门锁及启动系统的控制

觉得这篇文章有帮助吗?