无线电遥控电动车电路

📅 发布时间:2013-09-27 08:15 👁️ 浏览:0 🏷️ 标签: 无线电遥控 电动车 电路

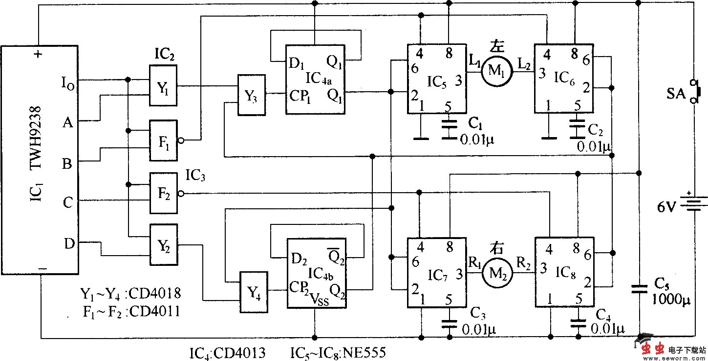
无线电遥控电动车电路

该电动模型车遥控器不仅能使模型汽车作前进、后退运动,而且可作左、右转弯运动, 它结构简单、操作方便。无线电遥控接收解调电路采用TWH9238组件,与它配套使用的遥控发射组件为TWH9236,图中未画出.

觉得这篇文章有帮助吗?