带二线串行接口智能温度传感器TCN75与89C51单片机的接口电路

📅 发布时间:2013-10-01 20:55 👁️ 浏览:1 🏷️ 标签: 89C51 TCN 75 串行接口

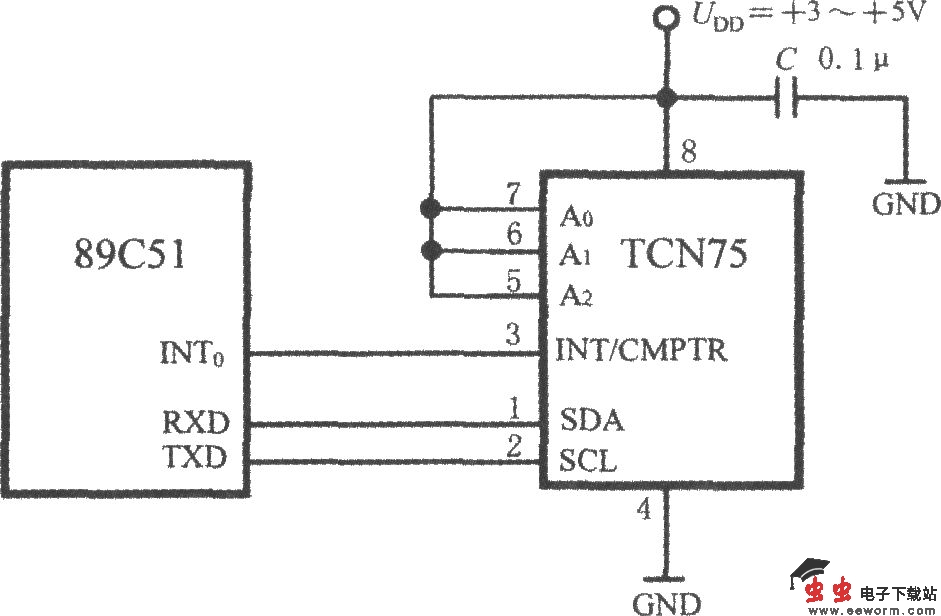
带二线串行接口智能温度传感器TCN75与89C51单片机的接口电路

TCN75与89C51单片机的接口电路如图所示。将TCN75的地址输入端A2~A0均接上高电平UDD,设定地址码为111。89C51通过软件来实现片选功能。89C51的串行数据接收端(RXD)和串行数据发送端(TXD)依次接TCN75的SDA、SCL端。TCN75的中断/比较信号接89C51的中断端INT0。

觉得这篇文章有帮助吗?