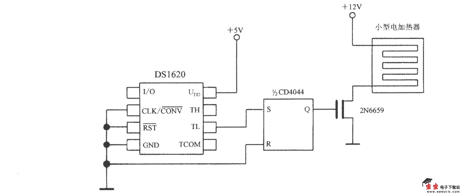
由带三线串行接口智能温度传感器DS1620构成的小型电加热器的控温

📅 发布时间:2013-10-01 20:45 👁️ 浏览:1 🏷️ 标签: 1620 DS 串行接口 智能温度传感器

由带三线串行接口智能温度传感器DS1620构成的小型电加热器的控温

如图所示为由带三线串行接口智能温度传感器DS1620构成的小型电加热器的控温电路。当t<tL时,TL输出高电平,将1/2CD4044型RS触发器置1,Q=1,使TMOS场效应管2N6659导通,将小型电加热器的电源接通。2N6659的UDSO=35V, PD=6.25W。

觉得这篇文章有帮助吗?