数字输出式角度传感器信号调理器UZZ9001的典型应用电路

📅 发布时间:2013-10-01 18:45 👁️ 浏览:0 🏷️ 标签: 9001 UZZ 数字输出 信号调理器

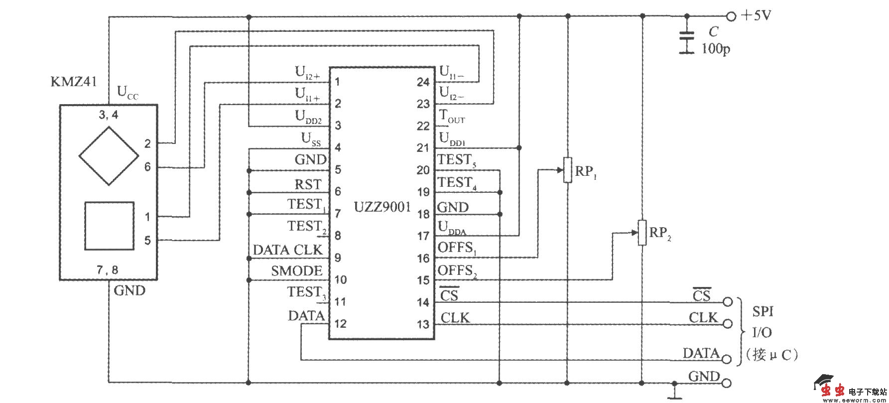
数字输出式角度传感器信号调理器UZZ9001的典型应用电路

如图所示为UZZ9001的典型应用电路。C为退耦电容。SPI输入/输出接口可直接配单片机(μC),利用单片机对UZZ9001进行设置。UZZ9001测量角度的误差约为±0.35o。

觉得这篇文章有帮助吗?