压力变送器的接口电路(宽带应变信号调理器1B31)

📅 发布时间:2013-10-01 17:40 👁️ 浏览:0 🏷️ 标签: 1B31 压力变送器 信号调理器 接口电路

压力变送器的接口电路(宽带应变信号调理器1B31)

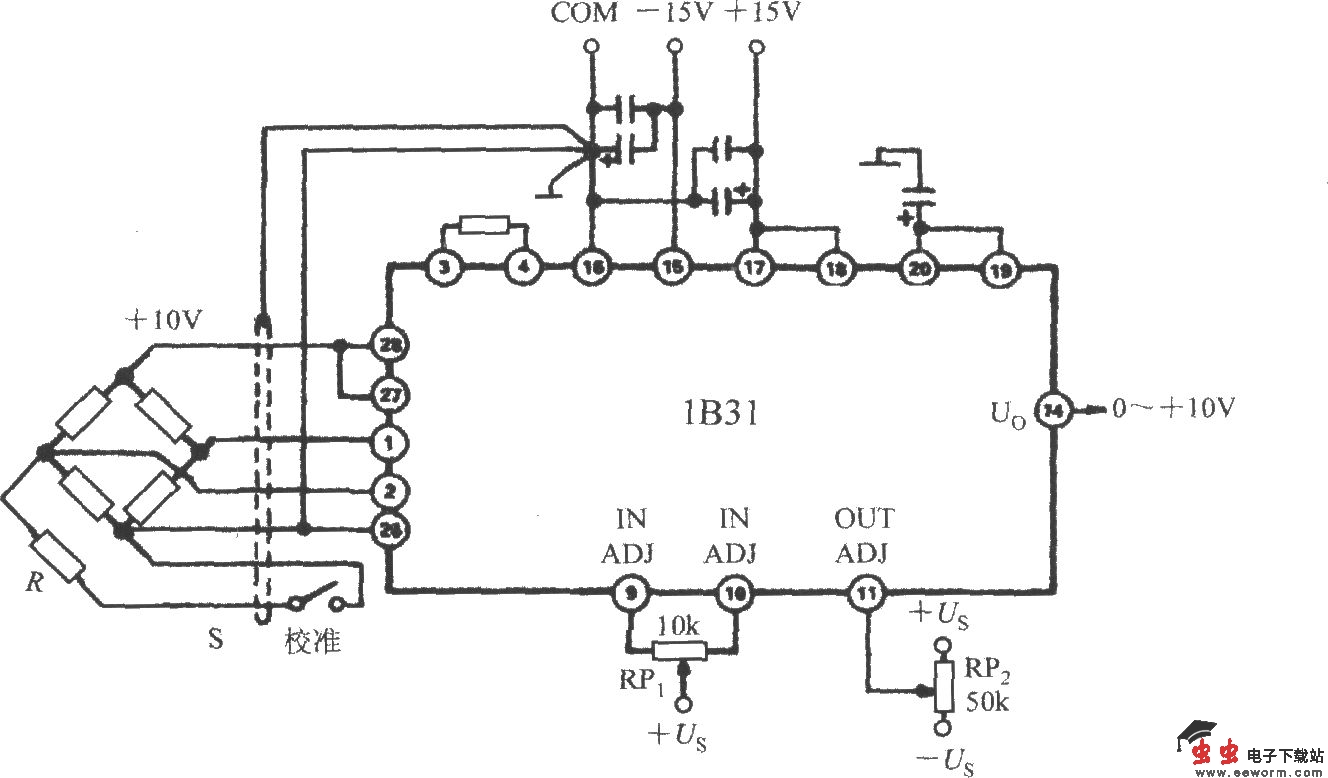
一种典型的压力变送器(例如Dynisco公司的800系列压力变送器)与1B31的接口电路如图所示。1B31输出稳定的 10V激励电压,压力变送器满量程输出电压为30mV。 设定1B31的增益为333.3倍,能使0~10000磅/英寸2的压力转换成0~10V的输出。为消除接地环流,信号返回端及屏蔽电缆必须在同一点接地。S为校准开关,R为支路校准电阻,可对满度输出80%的点进行校准。

觉得这篇文章有帮助吗?