LM386典型应用电路

📅 发布时间:2013-08-18 20:00 👁️ 浏览:0 🏷️ 标签: 386 LM 典型 应用电路

LM386典型应用电路
电压增益为20的放大电路:
电压增益为50的放大电路:
电压增益为200的放大电路:
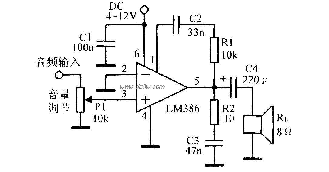
在85Hz具有6db增益的放大电路:
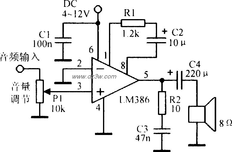
用于收音机中的LM386:

 


觉得这篇文章有帮助吗?