HA138818W BTL音频功率放大电路

📅 发布时间:2013-10-11 21:05 👁️ 浏览:1 🏷️ 标签: 138818W 138818 BTL HA

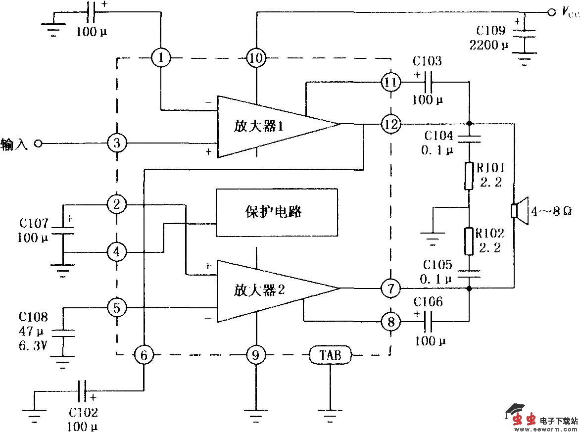
HA1388是音频功率放大集成电路,采用12脚单列直插塑料封装结构。该电路在电源电压13.2V、 4Ω负载阻抗和10%失真时,输出功率为l8W,并且不用输出耦合电容。电路内设有过压和热切断保护电路,外接元件也较少,适用于汽车收音机中作音频功率放大器。如图所示为HA1388的内部电路框图及其典型应用电路。

觉得这篇文章有帮助吗?