LM2002/2002A 8W音频功率放大电路

📅 发布时间:2013-10-11 19:20 👁️ 浏览:1 🏷️ 标签: 2002A 2002 LM 音频功率

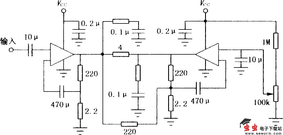
LM2002/2002A是音频功率放大集成电路,采用5脚单列直插塑料封装。这两种集成电路具有输出功率大、失真度小、噪声低、外接元件数量少、输入阻抗高、开机冲击噪声小等特点。LM2002具有限流和热切断保护电路;LM2002A具有高压保护,其最高瞬时电源电压可达40V。它们适用于汽车音响系统及普通便携式、台式收录机中作音频功率放大器。如图所示为其BTU电路。

觉得这篇文章有帮助吗?