M5112Y 5W音频功率放大电路

📅 发布时间:2013-10-11 19:35 👁️ 浏览:4 🏷️ 标签: M5112Y 音频功率 放大电路

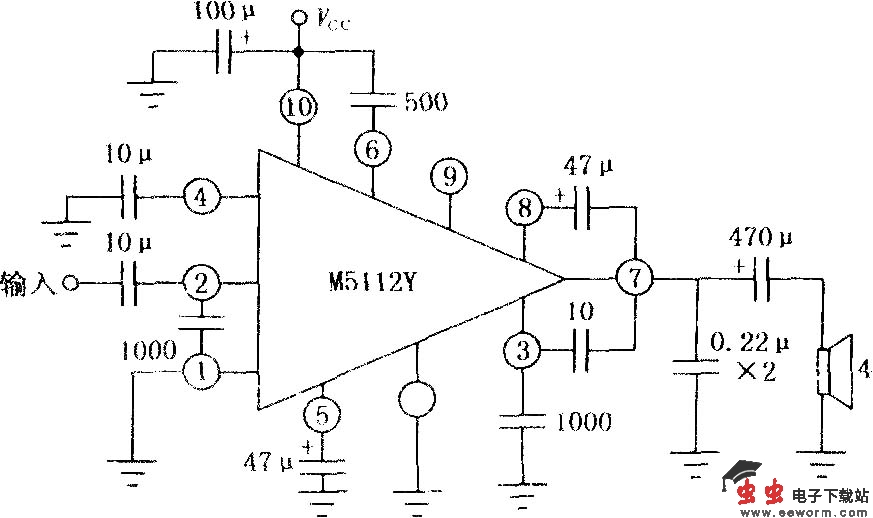
M5112Y是5W音频功率放大集成电路。该电路输出功率大,失真度小,频带宽,适用于汽车收音机及立体声装置中作音频功率放大器。如图所示为其典型应用电路。

觉得这篇文章有帮助吗?