MAX4223~ MAX4228低功率电流反馈放大器

📅 发布时间:2013-10-11 03:20 👁️ 浏览:0 🏷️ 标签: MAX 4223 4228 低功率

 

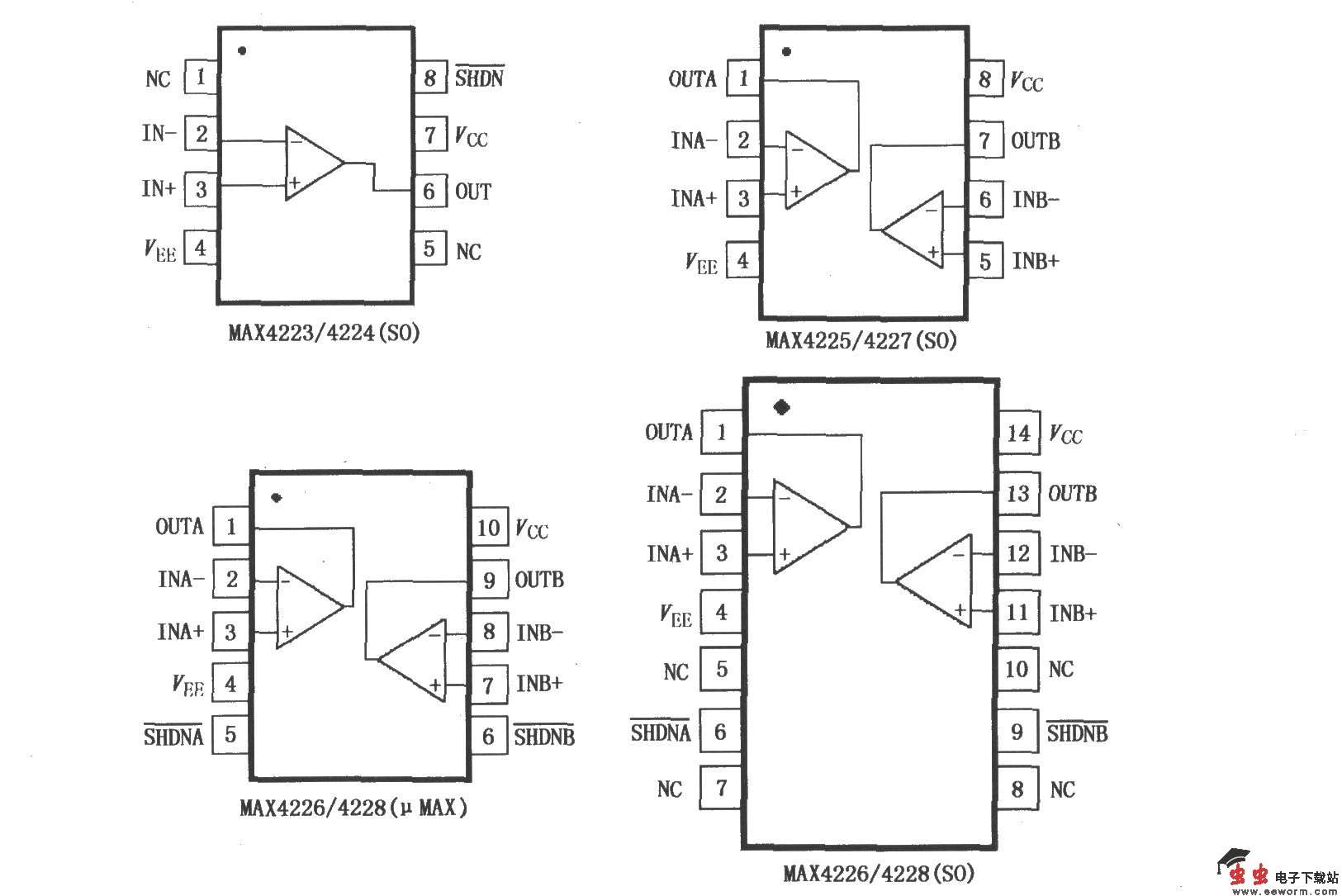
MAX4223~MAX4228是低功率电流反馈放大器,具有极高速、低失真和极好的视频特性。MAX4223/4224/4226/4228有一个关断模式,在关断状态下,电源电流降低到350μA,输出端被置为高阻。这些器件工作在双电源±2.85~±5.5V,提供典型的输出驱动电流为80mA。MAX4223/4225/4226最优化设计在闭环增益 1(0dB)或更大,有1GHz的3dB带宽;而MAX4224/4227/4228具有闭环增益 2(6dB)或更大的补偿,提供600MHz的3dB带宽(1.2GHz的增益带宽积)。MAX4223~MAX4228是视频应用的理想选择。这些放大器的0.1dB增益平坦度可达300MHz,差分增益和相位误差为0.01%和0.02%,转换速率为1100 V/μs,总谐波失真及噪声(THD)为-60dBc,建立时间(0.1%)为8ns,可应用于高速模-数输入或数据通信。MAX4223/4224/4226/4228的关断特性是便携式和电池供电设备应用的理想选择。关断状态下输出端高阻特性使得这些放大器可广泛应用于多路复用器。MAX4223/4224采用小型6脚SOT封装,所有器件工作温度范围为-40~ 85oC,其引脚排列如图所示。

觉得这篇文章有帮助吗?