集成运算放大器输出电流扩展电路

📅 发布时间:2013-10-07 07:25 👁️ 浏览:1 🏷️ 标签: 集成运算放大器 输出电流 扩展电路


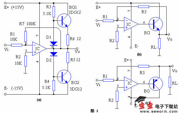
  图1所示为三种集成运算放大器输出电流扩展电路,图(a )为双极性扩展电路;图(b)、图(c)为单极性扩展电路。
  在图1(a )所示电路中,当输出电压为正时,BG1管工作、BG2管截止;输出电压为负时,BG1管截止、BC2管工作。二极管D1、D2 的作用是给BG1、BG2管提供合适的偏压,以消除交越失真。
  上述三种电路的输出电流通常可达100mA左右 在需要更大的输出电流时,可再增加一级至两级由大功率管组成的射极跟随器

觉得这篇文章有帮助吗?