由MAX4188构成的视频线驱动放大器电路

📅 发布时间:2013-10-07 01:35 👁️ 浏览:1 🏷️ 标签: 4188 MAX 视频线 电路

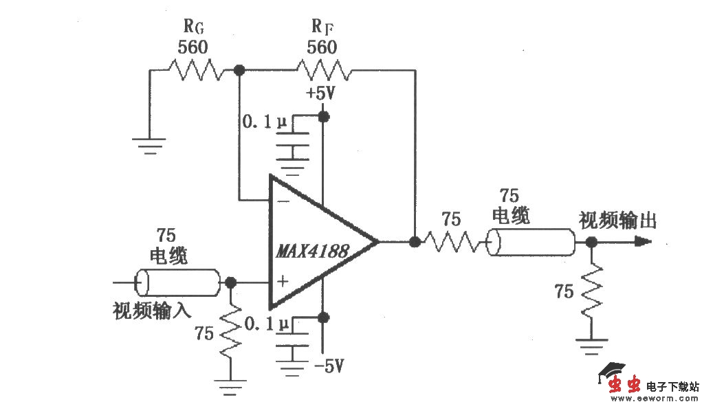
由MAX4188构成的视频线驱动放大器电路

如图所示为由MAX4188构成的视频线驱动放大器电路。MAX4188(4189/4190)适用于作为同轴电缆传输线放大视频信号,为了使传输过程反射最小,负载上获得最大功率,选择终端阻抗等于传输线特性阻抗(75Ω)。图中,MAX4188起到中间放大作用,将电缆输入的视频信号放大后输出,由电缆线继续传输。

觉得这篇文章有帮助吗?